Foram encontradas 60 questões.
Sobre os blocos padrão é incorreto afirmar que:
Provas
Uma indústria precisa comprar um transformador para alimentar as cargas de um forno de 10 kW e motores de 10 kVA e cos !$ \theta !$ = 0,5.
Assinale a alternativa que corresponde a potência mínima do transformador que deverá ser adquirido.
Provas
Indique a alternativa que descreve corretamente o tratamento superficial que resulta em aumento da dureza dos metais utilizados em peças sujeitas ao desgaste e a abrasão.
Provas
Qual das alternativas abaixo não corresponde a objetivo específico da retífica?
Provas
Observe a viga fixa sobre dois apoios mostrada abaixo e assinale a alternativa correta a respeito do deslocamento vertical das seções da viga segundo a cota X da posição da carga P indicada.

Provas
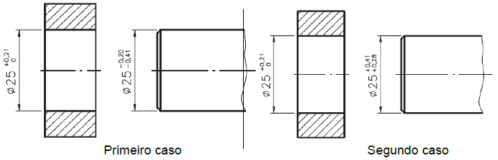
Sobre os desenhos mostrados abaixo assinale a alternativa correta.

Provas
Assinale a alternativa que mostra apenas propriedades mecânicas necessariamente obtidas por meio de ensaios de flexão.
Provas
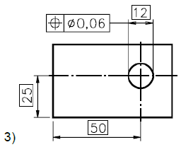
Qual a alternativa que corresponde a uma leitura incorreta das indicações mostradas abaixo?


Provas
A figura abaixo mostra duas curvas de Tensão x Deformação para um mesmo corpo de prova considerando os dados de Carga x Alongamento de um único ensaio de tração.
Sobre essas duas curvas é possível afirmar que:

Provas
Assinale a alternativa correta sobre o princípio que caracteriza o funcionamento das transmissões por polias e correias.
Provas
Caderno Container