Foram encontradas 60 questões.
Assinale a alternativa INCORRETA sobre o fenômeno de queda de tensão em instalações elétricas.
Provas
Assinale a alternativa INCORRETA sobre a seguinte situação considerada: um circuito elétrico alimenta um conjunto de tomadas de uma cozinha, a tensão na rede é de 127 V e estão conectadas uma torradeira (600 W), uma cafeteira (1000 W) e uma sanduicheira (1100 W).
Provas
Assinale a afirmação INCORRETA:
Provas
Assinale a alternativa CORRETA considerando o circuito elétrico representado no esquema abaixo. São dados: VA = 220 V , R1 = 5 ohm , R2 = 10 ohm e R3 = 7 ohm.

Provas
O esquema mostrado na figura abaixo representa uma rede de ar comprimido utilizada na pneumática industrial. Com relação ao projeto e manutenção de redes de ar comprimido, identifique a alternativa INCORRETA:

Provas
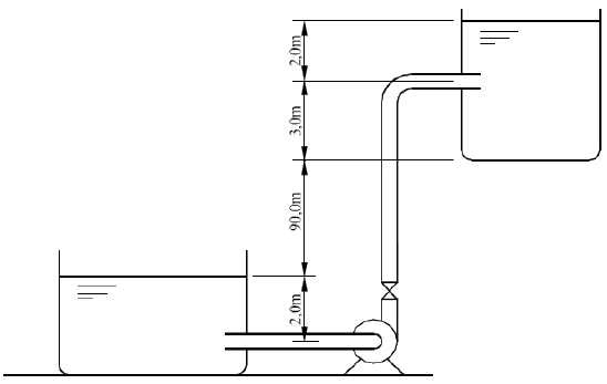
Assinale a alternativa que fornece a resposta CORRETA para a potência necessária para elevar 600 l/min de água potável a 25°C conforme o esquema abaixo sabendo que a perda de carga total no sistema é de 25 mca. Desprezar a variação de energia cinética e admitir peso específico da água igual a 1000 kg/m3.

Provas
Assinale a alternativa que corresponde a uma afirmação CORRETA sobre a figura e as indicações anotadas mostradas abaixo.

Provas
As seguintes três peças foram representadas utilizando uma só vista do sistema de projeções ortogonais em primeiro diedro.

Com base nessas informações, assinale a alternativa INCORRETA:
Provas
Assinale a alternativa que contem a representação CORRETA das vistas ortográficas em primeiro diedro para a peça mostrada abaixo.

Provas
Assinale a alternativa que contém a afirmação CORRETA sobre as vistas ortográficas de uma peça mostradas na figura abaixo.

Provas
Caderno Container