Foram encontradas 60 questões.
A área de cobertura ou abrangência de uma célula no sistema de telefonia móvel depende de diversos fatores. São eles:
Provas
Segundo os requisitos das tomadas de telecomunicações para cabeamento balanceado metálico, estipulados na norma ABNT NBR 14565:2013, assinale a alternativa correta.
Provas
O circuito da figura pode representar um filtro. Em dada frequência, o indutor e o capacitor entraram em ressonância. Que alternativa apresenta uma afirmativa incorreta sobre esta situação?

Provas
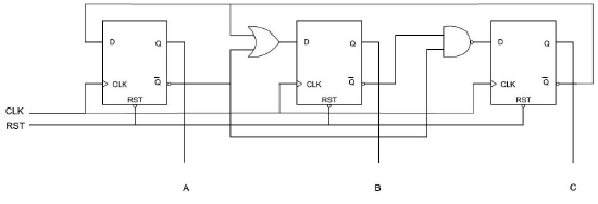
Após quantos pulsos de CLK será obtida a primeira sequência A=0, B=0 e C=1?

Provas
Sobre o circuito da figura, é correto afirmar que:

Provas
Calcule a tensão de saída V0 do circuito do amplificador operacional:

Provas
Que faixa de tensão pode ser aplicada aos terminais A e B do circuito da figura para que o diodo Zener esteja ativo? Considerar o diodo Zener de Vz=6,2V e Pmáx=1W.

Provas
O que é a modulação FSK?
Provas
O recurso de espalhamento espectral, conseguido através da codificação do sinal de informação a ser transmitido, permite a coexistência de várias conversações dentro de uma mesma faixa de frequências, proporcionando melhor qualidade do sinal, maior privacidade e menor interferência entre canais. Inicialmente de uso militar, atualmente está presente na tecnologia de telefonia celular móvel denominada:
Provas
Assinale a alternativa correta sobre o DPS:
Provas
Caderno Container