Foram encontradas 29 questões.
Em relação a um sistema de controle de máquinas elétricas rotativas que emprega um inversor de frequências e um sensor para a realimentação da medida da grandeza de saída, considere as seguintes afirmativas.
I – A medida de velocidade angular empregando encoders óticos de quadratura é lida pelo inversor de frequências através de duas entradas digitais destinadas para essa função.
II – A medida de posição angular empregando encoders absolutos é lida pelo inversor de frequências através de um conjunto de entradas digitais em paralelo ou por interfaces digitais SSI.
III – A medida de posição angular empregando tacogeradores é lida pelo inversor de frequências através de uma entrada analógica.
Está(ão) correta(s)
Provas
Analise as figuras a seguir.

As figuras ordenadas de I a IV apresentam, respectivamente, os símbolos empregados para representar os seguintes componentes eletrônicos:
Provas
Uma empresa solicitou o projeto de iluminação de um auditório com o uso de lâmpadas fluorescentes em luminárias industriais. Para determinar o número de luminárias, considere as informações a seguir.

Quantas luminárias deverão ser utilizadas no auditório, segundo o projeto realizado e considerando o mínimo custo?
Provas
Com relação aos circuitos lineares-digitais, considere as seguintes afirmativas.
I – Os circuitos Schmitt-Trigger são comparadores que possuem a característica de monoestabilidade.
II – Os amplificadores operacionais podem ser empregados como circuitos comparadores analógicos.
III – Os osciladores controlados por tensão são circuitos que geram uma forma de onda senoidal ou dente de serra cuja amplitude é controlada por uma tensão CC.
Está(ão) correta(s)
Provas
Os valores em notação binária e em notação hexadecimal correspondentes a 215 são, respectivamente,
Provas
Os varistores são dispositivos empregados em circuitos eletrônicos para
Provas
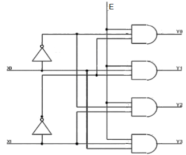
A figura abaixo mostra uma implementação de um decodificador binário. Nessa figura, os sinais de entrada e os sinais de saída são ativos em nível alto.

Quando os sinais de entrada E (Enable), X0 e X1 forem iguais a 1, 0 e 1, os sinais de saída Y0, Y1, Y2 e Y3 serão, respectivamente, iguais a
Provas
Em certas aplicações, como na robótica ou no acionamento de carros elétricos, os motores síncronos com ímãs permanentes de alta permeabilidade magnética têm surgido como uma boa opção. Na comparação com os motores convencionais, os motores síncronos
Provas
Uma microempresa possui um armazém com um conjunto de cargas formadas por aquecedores e motores elétricos, com um total de potência ativa de 30.010 W e potência reativa de 14.000 VAr. As cargas possuem um fator de potência abaixo de 0,92. A tensão elétrica é de 220 V e 60 Hz.

O valor de capacitância necessária para aumentar o fator de potência para 0,92, deve ser de
Provas
Uma empresa solicitou ao engenheiro responsável organizar um sistema de integração entre um sistema supervisório com uma estrutura de banco de dados. Antes de montar o banco de dados com as variáveis analógicas, digitais ou do tipo string, é necessário “escolher a classe de varredura (scan)”. A partir da afirmação anterior o engenheiro deve escolher a velocidade
Provas
Caderno Container