Foram encontradas 50 questões.
Os programas CNC podem ser gerados e transferidos ao comando da máquina de algumas formas. Com relação a isso, considere as afirmações a seguir.
I - Os programas CNC somente podem ser escritos àmão, empregando-se o teclado do painel do comando da máquina.
II - Os programas CNC somente podem ser gerados empregando-se softwares de CAM.
III - Os programas CNC podem ser gerados empregando- se uma interface gráfica embutida no comando da máquina.
IV - Os programas CNC somente podem ser transferidos ao comando da máquina de forma integral, empregando-se um software dedicado e um cabo de comunicação ligado a um PC.
V - Pacotes (partes) do programa CNC podem ser enviados ao comando da máquina na hora de serem usados, empregando-se a transferência numérica direta (DNC).
Estão corretas
Provas
A fieira é a ferramenta empregada no processo de conformação de metais denominado , e a partir dela são produzidos(as) .
Assinale a alternativa que preenche corretamente as lacunas do texto.
Provas
A maioria dos sistemas CAD atuais, utilizados em atividades de projeto, apresentam diferentes módulos de trabalho. Com base nesta afirmação, considere os módulos descritos a seguir.
I - Módulo de desenhos 2D (comumente denominado draft).
II - Módulo demodelamento 3D (modeling).
III - Módulo de modelamento de formas complexas (free form).
IV - Módulo demodelamento de chapas (sheetmetal).
V - Módulo demontagem(mounting).
Fazem parte dos sistemas CAD atuais
Provas
Sobre bombas e compressores, considere as afirmações a seguir.
I - O que caracteriza a bomba de palhetas de deslocamento variável é a possibilidade de modificação reversível da posição do estator (anel estator) em relação ao rotor, ou seja, a variação da excentricidade, que é o único parâmetro que pode ser modificado de forma reversível. Para tanto, o estator deve ser circular, o que significa dizer que as bombas de palhetas de deslocamento variável não podem possuir compensação de forças radiais.
II - O componente denominado de turbocompressor, utilizado em motores alternativos de combustão interna, é formado principalmente por um conjunto composto de uma turbina e um compressor. Esse compressor é impulsionado pelos gases quentes da descarga do motor alternativo e, através de um eixo, aciona a turbina que, por sua vez, comprime o ar de admissão, aumentando a eficiência volumétrica do cilindro.
III - O compressor de parafusos é uma máquina de deslocamento positivo que utiliza dois rotores que giram engrenados um ao outro e em sentido contrário, para produzir pressão, ao invés de utilizar um pistão. Os dois parafusos são usinados em forma helicoidal; o parafuso que contém os lóbulos com perfil convexo é chamado de rotor macho, enquanto o de perfil côncavo é chamado de rotor fêmea.
Está(ão) correta(s)
Provas
Muitas vezes há necessidade de usinar um eixo produzido em um material endurecido. Para facilitar a usinagem e proteger a ferramenta contra desgastes prematuros, pode-se tratar o material termicamente no sentido de diminuir a sua dureza e aumentar a usinabilidade.
Assinale a alternativa que indica corretamente o tratamento térmico a ser utilizado.
Provas
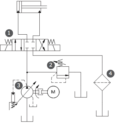
Observe a figura.

Com base no diagrama funcional do sistema hidráulico representado acima, assinale a alternativa que define a nomenclatura correta dos símbolos indicados pelos números 1, 2, 3 e 4, respectivamente.
Provas
Para responder à questão leia o texto a seguir.
A tolerância à corrupção no Brasil: uma antinomia
entre normas morais e prática social.
Quando se abre o jornal, é raro não nos defrontarmos com escândalos no mundo político. Casos de malversação de recursos públicos, uso indevido da máquina administrativa, redes de clientelas e tantas outras mazelas configuram uma sensação de mal-estar coletivo, que nos leva a olhar de modo muito cético os rumos que a política, no Brasil, tem tomado. Criam-se, dessa forma, um clamor moral e um clima de caça às bruxas que geram instabilidade e um muro de lamentações e barreiras a projetos de políticas públicas. Contudo, apesar da sucessão de escândalos no Brasil, existe uma sensação de impotência por parte da sociedade; a corrupção é tolerada, e os cidadãos ficam apenas aguardando qual será o próximo escândalo que circulará nos jornais.
Essa sensação de mal-estar coletivo com a corrupção cria concepções de senso comum de uma natural desonestidade do brasileiro.
Um dos traços característitcos do senso comum no Brasil é que o brasileiro típico tem caráter duvidoso e, , não se nega a levar algum tipo de vantagem no âmbito das relações sociais ordinárias. Por isso, vários indicadores de confiança apontam o Brasil como um país onde a desconfiança impera. Para além do senso comum, esse tipo de leitura da realidade social brasileira converge para termos centrais das interpretações do país, e a produção de conceitos no mundo acadêmico também incorpora esse tipo de visão, sendo o brasileiro típico um cidadão voltado para seus desejos agonísticos, que se expressam em formas sociais como o jeitinho e a malandragem. Culpa-se, sobremaneira, nossa herança histórica deixada pelo mundo ibérico, que teria feito com que o Brasil não conhecesse o processo de racionalização típico do Ocidente e não incorporasse os valores e princípios do mundo protestante, ascético e voltado para uma ética dos deveres e do trabalho.
O projeto de interpretação do Brasil fornecido pela vertente do patrimonialismo tende tomar esse pressuposto como característica antropológica, alicerçada em visão muitas vezes derivada de outras experiências sociais. Afinal, a herança do patrimonialismo ibérico deixou algumas mazelas na constituição da sociedade brasileira, o que acarretaria projetos de ruptura com o passado.
A prática de corrupção não está relacionada aspectos do caráter do brasileiro, mas à constituição de normas informais que institucionalizaram certas práticas tidas como moralmente degradantes, mas cotidianamente toleradas. A antinomia entre normas morais e prática social da corrupção no Brasil revela que há uma outra antinomia: a corrupção é explicada, no plano da sociedade brasileira, pelofosso que separa os aspectos morais e valorativos da vida e da cultura política. Isso acarreta uma tolerância à corrupção que está na base da vida democrática pós- 1985.
Fonte: FILGUEIRAS, F. A tolerância à corrupção no Brasil: uma antinomia entre normas morais e prática social. Revista Opinião Pública, Campinas, v. 15, n. 2, nov. 2009. Disponível em: http://www.scielo.br/pdf/op/v/s/n2/05.pdf. Acesso em 30 mai. 2015. (Adaptado)
Considerando o emprego da norma-padrão e à construção de sentido, assinale a alternativa que preenche corretamente as lacunas na sequência do texto.
Provas
Imersão a quente é o revestimento metálico que se obtém por imersão do material metálico em um banho de metal fundido, sendo um processo muito usado para revestimento de aços. Quando a operação de revestimento é chamada de galvanização, significa que o material passou por um banho de
Provas
Para a geração de programas CNC utilizando um sistema CAM, o usuário deverá possuir inicialmente o modelo geométrico CAD da peça. A geometria CAD é utilizada pelo CAM como base de cálculo das trajetórias da ferramenta. Após o cálculo, o percurso da ferramenta deverá ser interpretado e transformado pelo CNC da máquina em movimentação e acionamentos. Um sistema CAM tem por função desenvolver as atividades principais a seguir.
I - Calcular as trajetórias para a movimentação de forma que a máquina CNC possa realizar a usinagem.
II - Realizar a simulação da usinagem calculada.
III - Gerar programas CNC para máquinas CNC específicas.
IV - Gerar de forma automática as estratégias de corte (estratégias de usinagem).
V - Atribuir de forma automática os parâmetros de corte: profundidade de corte radial (ae), profundidade de corte axial (ap), rotação da ferramenta (RPM) e velocidade de avanço (mm/min).
Estão corretas
Provas
Entre os materiais metálicos mais empregados pela indústria metal-mecânica estão os aços. Dependendo do ramo de atuação da empresa, destaca-se o aço ABNT 1045. A respeito das características desse material, assinale V (verdadeira) ou F (falsa) em cada afirmativa a seguir.
( ) É classificado como aço ao carbono e contém 0,45% de C emsua composição.
( ) É um aço que admite tratamento térmico de têmpera.
( ) Pela sua composição, é classificado com um aço hipereutetoide.
( ) Quando resfriado lentamente, as fases presentes em sua microestrutura na temperatura ambiente são a ferrita e a austenita.
( ) É um material que apresenta boa usinabilidade.
A sequência correta é
Provas
Caderno Container