Foram encontradas 40 questões.
A NBR 5410 prevê o uso de dispositivos de supressão de surto
(DPS) e de dispositivos diferencias residuais (DR). Assim
assinale a alternativa INCORRETA referente ao bom
funcionamento do DPS.
Provas
Questão presente nas seguintes provas
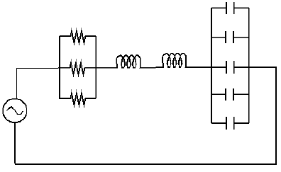
No circuito elétrico abaixo, a fonte tem valor de 200 V e
frequência de 1000 rad/s. Cada resistor que aparece tem valor
unitário de 9 Ω. Para os indutores o valor de cada um é de 3
mH. Já para os capacitores, o valor de cada elemento é de 10
µF.

Assinale a alternativa CORRETA referente à impedância equivalente vista pela fonte.

Assinale a alternativa CORRETA referente à impedância equivalente vista pela fonte.
Provas
Questão presente nas seguintes provas
Numa determinada instalação elétrica predial, o quadro de
distribuição é alimentado por três condutores fase, um condutor
neutro além do condutor terra que vem do ponto de
aterramento da instalação. Assim, assinale a alternativa
INCORRETA, no que tange à função do condutor neutro numa
instalação predial.
Provas
Questão presente nas seguintes provas
Quanto ao faturamento de energia elétrica, assinale a
alternativa CORRETA.
Provas
Questão presente nas seguintes provas
A legislação da educação brasileira dispõe sobre a autonomia
das universidades. Quanto ao exercício dessa autonomia,
assinale a alternativa INCORRETA.
Provas
Questão presente nas seguintes provas
Quanto às afirmativas referentes à estabilidade do servidor
público, pode-se afirmar que este só perderá o seu cargo:
I. em virtude de sentença judicial transitada em julgado. II. mediante processo administrativo em que lhe seja assegurada ampla defesa. III. mediante procedimento de avaliação periódica de desempenho, na forma de lei complementar, assegurada a ampla defesa. IV. mediante decisão da chefia imediata motivada por não adaptação do servidor ao cargo para o qual foi concursado. V. mediante decisão da chefia imediata e mediata, em função da adequação institucional às condições econômicas e políticas.
Assinale a alternativa CORRETA.
I. em virtude de sentença judicial transitada em julgado. II. mediante processo administrativo em que lhe seja assegurada ampla defesa. III. mediante procedimento de avaliação periódica de desempenho, na forma de lei complementar, assegurada a ampla defesa. IV. mediante decisão da chefia imediata motivada por não adaptação do servidor ao cargo para o qual foi concursado. V. mediante decisão da chefia imediata e mediata, em função da adequação institucional às condições econômicas e políticas.
Assinale a alternativa CORRETA.
Provas
Questão presente nas seguintes provas
Analise as afirmativas a seguir que são, entre outros, requisitos
básicos para investidura em cargo público no Brasil:
I. a nacionalidade brasileira. II. o gozo dos direitos políticos. III. a quitação com as obrigações militares e eleitorais. IV. o nível de escolaridade exigido para o exercício do cargo. V. a idade mínima de dezoito anos.
Assinale a alternativa CORRETA.
I. a nacionalidade brasileira. II. o gozo dos direitos políticos. III. a quitação com as obrigações militares e eleitorais. IV. o nível de escolaridade exigido para o exercício do cargo. V. a idade mínima de dezoito anos.
Assinale a alternativa CORRETA.
Provas
Questão presente nas seguintes provas
Caberá à Instituição Federal de Ensino avaliar anualmente a
adequação do quadro de pessoal às suas necessidades,
propondo ao Ministério da Educação, se for o caso, o seu
redimensionamento. Quanto às variáveis que a Instituição
Federal de Ensino deve considerar na adequação do seu
quadro de pessoal, assinale a alternativa INCORRETA.
Provas
Questão presente nas seguintes provas
No tocante à legislação que trata do Plano de Carreira dos
Cargos Técnico-Administrativos em Educação, no âmbito das
Instituições Federais de Ensino, assinale a alternativa
INCORRETA.
Provas
Questão presente nas seguintes provas
No que tange à Carreira dos Técnico-Administrativos em
Educação, assinale a alternativa CORRETA.
Provas
Questão presente nas seguintes provas
Cadernos
Caderno Container