Foram encontradas 50 questões.
Analise o gráfico relacionado aos motores síncronos a seguir.

Após essa análise, está CORRETO afirmar que esse motor
Provas
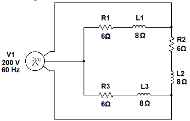
Analise o circuito trifásico a seguir.

|
cos(31º) = 0,857 |
sen(31º) = 0,515 |
tg(31º) = 0,600 |
|
cos(37º) = 0,798 |
sen(37º) = 0,602 |
tg(37º) = 0,754 |
|
cos(51º) = 0,629 |
sen(51º) = 0,777 |
tg(51º) = 1,235 |
|
cos(53º) = 0,602 |
sen(53º) = 0,799 |
tg(53º) = 1,327 |
|
cos(59º) = 0,515 |
sen(59º) = 0,857 |
tg(59º) = 1,664 |
| \( \sqrt{2} = 1,41 \) | \( \sqrt{3} =1,73 \) |
Para esse circuito, a potências ativa e a potência reativa são, aproximadamente, iguais a
Provas
Observe a seguinte figura em que se apresentam dois componentes.

Assinale a alternativa que apresenta a especificação CORRETA para esses dois componentes.
Provas
Analise o circuito a seguir.

Com relação a esse circuito, está CORRETO afirmar que
Provas
Analise esse circuito em que dois geradores foram representados:

Com relação a essa associação, está CORRETO afirmar que
Provas
Analise a representação gráfica das tensões V1(t) e V2(t) a seguir.

Considere: \( \sqrt{2} = 1,41 \) e \( \sqrt{3} = 1,73 \)
Com relação a essas tensões, está CORRETO afirmar que
Provas
Analise o circuito a seguir.

Assinale a alternativa que apresenta a indicação CORRETA dos três miliamperímetros.
Provas
Analise os passos necessários para elaboração de um relatório técnico, numerando-os de 1 a 6 na ordem correta em que eles devem ocorrer.
( ) Análise das possíveis conclusões.
( ) Classificação dos fatos ou dados.
( ) Levantamento dos fatos ou dados.
( ) Escolha da conclusão pertinente.
( ) Verificação do valor dos fatos ou dados.
( ) Explicação da apreciação realizada.
Assinale a sequência CORRETA.
Provas
Dentre os métodos e ferramentas utilizados na confecção de relatórios para análise técnica-financeira, se encontra o gráfico de Gantt.
Sobre esse gráfico, está CORRETO afirmar que
Provas
Analise esse gráfico elaborado a partir de uma planilha eletrônica.

Com relação à elaboração desse gráfico, está CORRETO afirmar que
Provas
Caderno Container