Foram encontradas 780 questões.
Com relação ao diodo, é CORRETO afirmar que ele está polarizado diretamente quando:
Provas
Em uma mídia digital, deseja-se gravar um sinal de áudio com uma taxa de amostragem de 22.000 amostras por segundo, utilizando um conversor analógico para digital de 16 bits. Marque a alternativa que apresenta CORRETAMENTE a quantidade de bytes necessários para armazenar 1 segundo de gravação:
Provas
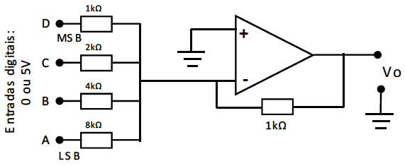
O circuito abaixo representa um conversor digital para analógico (D/A), no qual D é o bit mais significativo.

Para um código de entrada de 11002, a saída analógica será de:
Provas
Se um transistor operar no meio da reta de carga, um aumento na resistência da base fará o ponto Q:
Provas
Em relação ao teste de um transistor NPN de silício usando um multímetro, é CORRETO afirmar que:
Provas
Um transformador de tensão, com relação de número de espiras do enrolamento primário (N1) para o enrolamento secundário (N2) igual a 10 (N1 / N2 = 10), apresentando uma tensão nominal no primário (V1) de 100 Volts, terá um valor de tensão no seu secundário (V2) de:
Provas
São consideradas extensões de arquivos de áudio digital:
Provas
As figuras abaixo representam tipos de conectores.

Marque a alternativa que apresenta CORRETAMENTE os tipos de conectores:
Provas
Segundo o teorema de Nyquist, a frequência de amostragem deve ser:
Provas
Marque a alternativa que apresenta CORRETAMENTE a função do equalizador gráfico:
Provas
Caderno Container