Foram encontradas 40 questões.
Numere a COLUNA II de acordo com a COLUNA I, associando cada componente eletrônico à sua curva característica.
COLUNA I
1. UJT
2. FET
3. DIAC
4. FOTODIODO
5. BJT
6. SHOCKLEY
COLUNA II

Assinale a alternativa CORRETA.
Provas
Considere a tensão V1 aplicada à entrada do circuito a seguir, que utiliza um amplificador operacional.

A tensão sobre a carga RL é igual a:
Provas
- Transformadores e Máquinas ElétricasMáquinas Síncronas
- Transformadores e Máquinas ElétricasMáquina de Indução
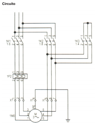
Analise o circuito de força de um motor e sua especificação a seguir.

Especificação
• Motor de 30 cv
• Tensão nominal: 220 V
• Quatro polos
• Corrente nominal: 75,5 A
• Ip/In = 7,5
• Seis terminais
• Fator de serviço: 1,15
• Tempo de partida: 7s
• Fator de potência: 0,85
• Rendimento: 91,7%
Analise as afirmativas a seguir referentes ao dimensionamento dos componentes do circuito de força desse motor, assinalando com V as verdadeiras e com F as falsas.
( ) Em regime permanente, os contatores devem suportar a corrente nominal, acrescida em 15% referente ao fator de serviço.
( ) O dimensionamento dos componentes desse circuito de força se fará seguindo os mesmos procedimentos utilizados para uma chave de partida direta.
( ) O relé térmico será dimensionado em função da corrente nominal do motor a fim de obter sua eficiência máxima.
( ) O fusível será dimensionado em função da corrente de partida da chave utilizada e do tempo de partida necessário para esse motor.
Assinale a sequência CORRETA.
Provas
Analise o quadro a seguir em que se descrevem as características de um consumidor de energia elétrica.

Nesse caso, a classificação da unidade consumidora e o fornecimento de energia pela concessionária é do:
Provas
Nas especificações de um projeto licitatório de uma escola pública, encontram-se as seguintes características exigidas para os eletrodutos.

Nesse caso, serão adquiridos eletrodutos do tipo:
Provas
Observe a associação de indutores a seguir.

Considerando um coeficiente de acoplamento igual a 0,4, a indutância entre os terminais A e B é igual a:
Provas
Analise o circuito a seguir.

Nesse caso, a indicação do voltímetro, U1, é igual a:
Provas
Considere um cômodo de um imóvel residencial com área igual a 10 m2 .
Utilizando o critério da carga mínima, exigida pela norma ABNT NBR 5410:2008, a potência destinada à iluminação desse cômodo é igual a:
Provas
Analise as seguintes afirmativas referentes ao curto-circuito nas instalações elétricas, assinalando com V as verdadeiras e com F as falsas.
( ) O transformador é uma fonte de corrente de curto-circuito em função de sua baixa impedância.
( ) A corrente de curto-circuito simétrica apresenta a componente senoidal distribuída igualmente em relação ao eixo dos tempos.
( ) A corrente de curto-circuito nos terminais dos geradores síncronos é muito elevada, decrescendo até alcançar o regime permanente.
( ) A componente contínua, na corrente de curto-circuito assimétrica, tem valor constante e é formada pelas perdas no cobre do gerador.
Assinale a sequência CORRETA.
Provas
Numere de 1 a 13 sequenciando as atividades para a identificação das bobinas de um motor trifásico.
( ) Se a lâmpada permanecer apagada, confirmar a numeração das bobinas do motor.
( ) Ligar as bobinas 1 e 2 em série e alimentá-las com 220 V.
( ) Se a lâmpada acender, a polaridade da bobina 1 está invertida; trocar a numeração 3 por 6.
( ) Repetir o teste de continuidade, identificar e marcar a terceira bobina com os números 3 e 6.
( ) Testar os outros terminais até encontrar continuidade.
( ) Conectar uma lâmpada de 12 V nos terminais da bobina 3.
( ) Repetir o teste de continuidade, identificar e marcar a segunda bobina com os números 2 e 5.
( ) Se a lâmpada acender, a polaridade da bobina 1 está invertida; trocar a numeração 1 por 4.
( ) Conectar as pontas de prova do ohmímetro em um dos terminais do motor.
( ) Ligar as bobinas 2 e 3 em série e alimentá-las com 220 V.
( ) Conectar uma lâmpada de 12 V nos terminais da bobina 1.
( ) Se a lâmpada permanecer apagada, as bobinas 1 e 2 estão corretas.
( ) Definir a primeira bobina com os números 1 e 4.
Assinale a sequência CORRETA.
Provas
Caderno Container