Foram encontradas 60 questões.
No Windows 7, as teclas de atalho que executam, respectivamente, as ações de: "Selecionar todos os arquivos e pastas quando no gerenciador de arquivos", "Exibir as propriedades do arquivo selecionado", "Executar o Gerenciador de tarefas do Windows" e "Mostrar o Menu Iniciar do sistema" são, respectivamente:
Provas
Questão presente nas seguintes provas
Considerando o circuito dado na figura 12, calcule o módulo da corrente que o circula e assinale a alternativa correta.

FIGURA 12
Provas
Questão presente nas seguintes provas
Sobre o princípio da autotutela, é válido AFIRMAR que:
Provas
Questão presente nas seguintes provas
Sobre licitação e contratos administrativos, assinale a alternativa CORRETA:
Provas
Questão presente nas seguintes provas
Considerando um circuito R-L-C em série, alimentado por uma fonte alternada, podemos afirmar que:
Provas
Questão presente nas seguintes provas
O fantástico legado da Copa
Depois do criminoso esforço da imprensa para desacreditar a Copa do Mundo, numa ridícula politização do maior evento esportivo do planeta, vê-se agora a tentativa de provar, por "a" mais "b" que, apesar do fantástico mês que brasileiros e turistas passaram, a competição deixará um legado insignificante para o Brasil.
O site em português da BBC, por exemplo, publica uma reportagem para provar que, economicamente, a Copa foi um fiasco para o país.(I)
Para provar a tese, relata que nem todos os setores da economia se deram bem no mês do evento - algo tão óbvio quanto dizer que a vaca dá leite... Também entrevista "especialistas", como pessoal da notória empresa de consultoria Tendências, cujo dono é o exministro da Fazenda Mailson "80% de inflação ao mês" da Nóbrega.
É preciso falar mais?
O desastre que foi a atuação da seleção contra a Alemanha também tem sido explorado negativamente - e não poderia ser de outra forma.
Mas, pelo menos nesse aspecto, há o fato positivo de que muitas matérias, artigos e comentários são no sentido de que a goleada deve servir para que se faça uma faxina no futebol brasileiro.
E essa discussão é excelente.
Quanto à outra, do legado da Copa, por mais que os inimigos do governo trabalhista tentem, vai ser muito difícil reduzir a sua importância.
De cara, o Brasil ganhou 12 novos estádios que não deverão ser apenas usados em dias de jogos de futebol, mas que passarão a fazer parte do cotidiano(II) da população das 12 cidades-sede.
Fora isso, há os aeroportos e portos, ampliados e modernizados, além de inúmeras obras para facilitar o transporte urbano de massa e outras de infraestrutura urbana.
Mas, talvez, a maior herança que a Copa deixou seja mesmo a fantástica exposição do Brasil em todo o mundo.
Nunca, na nossa história, o povo brasileiro e sua cultura foram tão fotografados, filmados, gravados, publicados, revelados,(III) enfim, para tantas pessoas e tantos países.
Uma boa parte do Brasil se desnudou aos olhos do estrangeiro.
Poucos dos milhares de turistas que vieram assistir aos jogos da Copa saíram daqui desgostosos com o que viram e viveram.
Muitos deverão voltar.
Certamente a maioria vai contar a amigos e familiares a experiência pela qual passou.
As milhares de matérias feitas no Brasil pela imprensa internacional foram, na quase totalidade, favoráveis ao país.
Dá para dizer que a Copa, nesse sentido, foi um marco, um divisor: depois dela, o Brasil nunca mais será visto como apenas a terra do futebol, do Carnaval, das mulheres bonitas e semidespidas e das praias.
Será visto, isso sim, como uma jovem nação de um povo acolhedor e persistente, capaz de superar obstáculos e de construir, a partir de sonhos, a sua realidade.
E se a Copa foi tudo isso, imagine a Olimpíada!(IV)
(cronicasdomotta.blogspot.com.br. Publicado em14/07/2014)
Analise as afirmações a seguir no que diz respeito ao uso das vírgulas no texto, observando os aspectos sintáticos e semânticos. Em seguida, assinale a alternativa que contém as afirmações CORRETAS:
I. No trecho “... publica uma reportagem para provar que, economicamente, a Copa foi um fiasco para o país.”, as vírgulas foram utilizadas para isolar o adjunto adnominal.
II. No trecho “...jogos de futebol, mas que passarão a fazer parte do cotidiano...”, a vírgula foi utilizada para introduzir oração coordenada sindética adversativa.
III. Em “...o povo brasileiro e sua cultura foram tão fotografados, filmados, gravados, publicados, revelados...”, as vírgulas foram utilizadas para separar elementos com o mesmo valor sintático.
IV. Em “E se a Copa foi tudo isso, imagine a Olimpíada!”, a vírgula foi utilizada para isolar a oração principal da subordinada.
Provas
Questão presente nas seguintes provas
Dentre as alternativas abaixo, escolha a menor potência que deve ter um transformador para alimentar uma carga de 140 kW com fator de potência 75%.
Provas
Questão presente nas seguintes provas
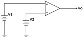
O circuito apresentado na figura 16 representa:

FIGURA 16
Provas
Questão presente nas seguintes provas
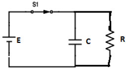
Na figura 07, considere os seguintes dados: C=3F, R=10!$ \Omega !$ e E=24V.
Qual a corrente que circulará no circuito depois da chave S1 ser fechada?

FIGURA 07
Provas
Questão presente nas seguintes provas
De quantas formas diferentes podemos colorir a figura abaixo, usando as cores vermelho, verde e azul. Cada quadradinho deve ser colorido com uma única cor.

Provas
Questão presente nas seguintes provas
Cadernos
Caderno Container