Foram encontradas 50 questões.
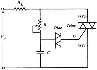
O circuito abaixo permite o controle do valor eficaz da tensão na carga RL com o uso de um triac, um diac, um resistor variável R e um capacitor C.

Em relação ao funcionamento do circuito, é correto afirmar:
Provas
No circuito abaixo foram realizadas medições no voltímetro V, de alta impedância de entrada, em função da mudança da chave CH1 das posições 1 até 4, cujos valores obtidos são:
Chave na posição 1 !$ \rightarrow !$ V = 10 V;
Chave na posição 2 !$ \rightarrow !$ V = 5 V;
Chave na posição 3 !$ \rightarrow !$ V = 15 V;
Chave na posição 4 !$ \rightarrow !$ V = 20 V.

Os resistores R1, R2 e R3 valem, respectivamente:
Provas
A figura abaixo mostra um conversor digital analógico simples, que utiliza um amplificador operacional (AmpOp). As entradas digitais A, B, C e D podem receber os níveis lógicos zero (0 V) ou um (5 V).

Considerando as entradas: A = 1, B = 0, C = 1 e D = 0, qual é o valor da tensão de saída VS?
Provas
A coluna da esquerda apresenta, em seção transversal, ilustração de transistores de efeito de campo e a da direita, o símbolo de cada um.
Numere a coluna da direita de acordo com a da esquerda.
1 - 
2 - 
3 - 
4 - 
( ) 
( ) 
( ) 
( ) 
Marque a sequência correta.
Provas
Os sistemas digitais programáveis em geral contêm microprocessadores ou microcontroladores em seus circuitos.
Em relação a esses sistemas e dispositivos, marque V para as afirmativas verdadeiras e F para as falsas.
( ) O microcontrolador inclui num só chip o microprocessador e circuitos periféricos, tais como: temporizadores, memórias e portas de entrada/saída.
( ) O microprocessador contém internamente registradores, unidade de controle, unidade lógica e aritmética, registrador de instrução e unidade de decodificação da instrução.
( ) Um sistema básico de microcontrolador necessita, para o seu funcionamento, de circuitos integrados auxiliares de entrada/saída.
( ) Um sistema básico de microprocessador usa unicamente o microprocessador, sem necessidade de memórias e dispositivos de entrada/saída.
( ) Os microprocessadores e microcontroladores necessitam, para o funcionamento, da inserção de um conjunto de instruções na memória de programa.
Assinale a sequência correta.
Provas
A figura abaixo mostra uma aplicação típica utilizando transistores bipolares.
Considere:
B – bobina do relé; NA e NF – contatos normalmente aberto e fechado, respectivamente;
T – transistor bipolar NPN;
D – diodo retificador;
VSCM – tensão de saída do circuito de comando.

A respeito do circuito, analise as afirmativas.
I - O transistor funciona como um amplificador de corrente, sendo IB a corrente de entrada e a corrente na bobina B como saída.
II - Quando o transistor T estiver saturado, IC = 0 A e VC = +VCC.
III - O diodo D impede que uma sobretensão seja aplicada ao transistor quando o mesmo estiver conduzindo.
IV - O diodo D impede que uma sobretensão seja aplicada ao transistor durante o desligamento da bobina do relé.
Está correto o que se afirma em
Provas
A figura abaixo mostra as curvas características de um transistor bipolar NPN na configuração de circuito emissor comum.

O ganho de corrente contínua !$ \beta !$CC no ponto A é:
Provas
A figura mostra um circuito retificador de onda completa com carga resistiva RL. Um osciloscópio mede simultaneamente a tensão na saída do transformador Vca(2) e a tensão sobre a carga Vad, cujos gráficos estão mostrados abaixo.

Em relação às formas de ondas medidas, é correto afirmar:
Provas
O circuito abaixo apresenta uma fonte de tensão contínua VCC, um resistor R, um diodo zener DZ e uma carga RL.

Sendo R = 50 !$ \Omega !$, IL = 20 mA, IZmax = 50 mA, IZmin = 0 mA e VZ = 10 V, qual é a tensão VCC mínima para que haja regulação de tensão na carga?
Provas
A figura abaixo apresenta uma fonte de tensão alternada senoidal VCA, com VM volts de pico, um diodo ideal D e uma carga resistiva RL.

O valor da tensão média sobre a carga RL é:
Provas
Caderno Container