No que se refere às eletrônicas analógica, digital e de potência, julgue o item de subsequente.
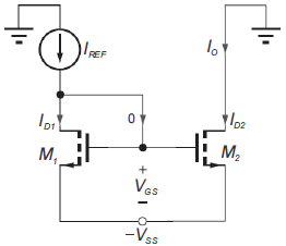
Considere que o circuito apresentado abaixo represente um espelho de corrente construído em tecnologia MOS. Nessa situação, se !$ V_{SS} = 15V,\,\,\,I_{REF} = 150\,\, \mu A !$ e os parâmetros dos transistores são !$ K_n = 250\,\, \mu\,A /V^2, V_{TN} 1\,V !$ e !$ \lambda = 0,0133V^{-1} !$, é correto afirmar que a corrente de saída !$ I_o !$ será superior a !$ 170\,\, \mu A !$, desconsiderando-se a parte fracionária do resultado e utilizando-se !$ \sqrt{1,2} = 1,1 !$.

Provas
Questão presente nas seguintes provas
Perito Criminal - Engenharia Elétrica ou Eletrônica
120 Questões