Magna Concursos
70859 Ano: 2009
Disciplina: Engenharia Elétrica
Banca: FCC
Orgão: INFRAERO
Provas:

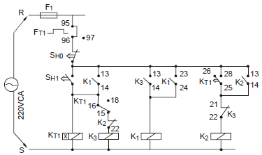
O esquema abaixo representa o diagrama de comando de um motor trifásico para que ele opere com partida

Enunciado 3454306-1

 

Provas

Questão presente nas seguintes provas

Engenheiro Eletricista

60 Questões