Foram encontradas 25.257 questões.
Um ambiente de reunião de pessoas irá, por suas características de uso e lotação, requerer, de acordo com a
normatização técnica aplicável, duas saídas. Por questões de projeto, seria desejável prever o posicionamento
de três comunicações com a área externa – considerada
espaço protegido e seguro –, resultando em uma configuração semelhante à da figura a seguir, extraída da norma
brasileira que trata do projeto de saídas de emergência:
(ABNT)
Dada essa configuração de saídas, com relação às áreas em cinza que aparecem na figura, as exigências da norma
(ABNT)
Dada essa configuração de saídas, com relação às áreas em cinza que aparecem na figura, as exigências da norma
Provas
Questão presente nas seguintes provas
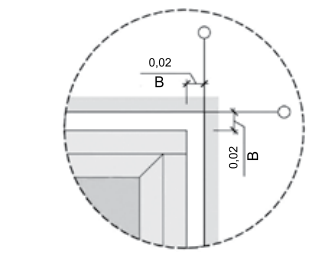
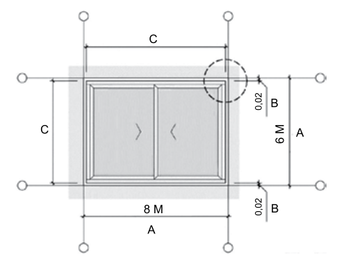
Considere as figuras a seguir, adaptadas da norma brasileira sobre coordenação modular em edificações:
Detalhe do desenho:
(ABNT)
A medida indicada nos desenhos está em metros.
Nos termos da mencionada norma técnica, as duas dimensões A definem
Detalhe do desenho:
(ABNT)
A medida indicada nos desenhos está em metros.
Nos termos da mencionada norma técnica, as duas dimensões A definem
Provas
Questão presente nas seguintes provas
Sobre os termos usualmente empregados na especificação da madeira serrada de
coníferas e folhosas, proveniente de florestas plantadas e nativas, destinadas ao uso geral, abordados
pela NBR 12551:2002, assinale a alternativa INCORRETA.
Provas
Questão presente nas seguintes provas
De acordo com a NBR 8800:2024, assinale a alternativa correta quanto ao significado
da letra romana maiúscula N.
Provas
Questão presente nas seguintes provas
Um escritório de arquitetura está elaborando pranchas A1 do projeto de um edifício
público. A equipe de arquitetos precisa seguir as normas técnicas brasileiras para garantir a
padronização da documentação. Com base na NBR 16752:2020 e na Figura abaixo, que representa a
configuração de uma prancha, em que estão indicadas as margens mínimas obrigatórias, assinale a alternativa que apresenta corretamente as dimensões das margens apresentadas nas letras A e B, respectivamente.


Provas
Questão presente nas seguintes provas
Levando em consideração a NBR 6492:2021, a Figura abaixo apresenta:

Provas
Questão presente nas seguintes provas
Com relação ao cálculo da população apresentado na NBR 9077:2025, assinale a
alternativa INCORRETA.
Provas
Questão presente nas seguintes provas
A adoção dos diferentes tipos de escadas ou rampas depende do perfil de risco dos ocupantes da edificação e da altura da edificação, como apresentado na Tabela 11 da NBR 9077:2025. Considerando esses aspectos, analise as assertivas abaixo:
I. Em edificações de perfil de risco A, é permitida a utilização de escadas abertas até 6 m de altura.
II. Para edificações de perfil de risco Ciii, com altura entre 12 m e 30 m, a Norma exige a utilização de escada protegida.
III. Escadas enclausuradas com antecâmara ventilada são exigidas em edificações de perfil de risco B com altura superior a 12 m.
IV. Em edificações de perfil de risco E, não se permite a utilização de escadas abertas, independentemente da altura.
Quais estão corretas?
I. Em edificações de perfil de risco A, é permitida a utilização de escadas abertas até 6 m de altura.
II. Para edificações de perfil de risco Ciii, com altura entre 12 m e 30 m, a Norma exige a utilização de escada protegida.
III. Escadas enclausuradas com antecâmara ventilada são exigidas em edificações de perfil de risco B com altura superior a 12 m.
IV. Em edificações de perfil de risco E, não se permite a utilização de escadas abertas, independentemente da altura.
Quais estão corretas?
Provas
Questão presente nas seguintes provas
Um escritório de arquitetura foi contratado para desenvolver o projeto de uma
edificação no município de Xangri-Lá. Para a adequada definição do sistema estrutural, a equipe
precisa compreender os diferentes tipos de fundações. Com base na NBR 6122:2022, assinale a
alternativa correta.
Provas
Questão presente nas seguintes provas
De acordo com a NBR 16636-3:2020, a definição “recomposição de uma paisagem degradada, natural ou construída, a uma condição de não degradada, que pode ser diferente de sua condição original” refere-se ao(à):
Provas
Questão presente nas seguintes provas
Cadernos
Caderno Container