Foram encontradas 60 questões.
Para a função !$ F(S) !$ matematicamente expressa abaixo, sua transformada inversa de Laplace !$ f(t) = \mathcal {L}^{-1} [F(S)] !$ vale:
!$ F(S) = \left [ { \large 5S - 1 \over (S + 1)^2 (S - 2)}\right] !$
Provas
A figura abaixo ilustra a simbologia de três tiristores para esquemas elétricos

Essas simbologias podem ser, respectivamente, identificadas como:
Provas
A figura abaixo ilustra um recorte do datasheet de um modelo comercial de dispositivo eletrônico semicondutor de potência.

A análise dessa curva revela tratar-se de um dispositivo tipo:
Provas
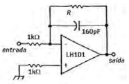
Para o circuito ilustrado na figura abaixo apresentar seu ponto de -3dB de filtragem em 10kHz, o valor de R deve ser igual a:

Provas
A figura abaixo ilustra quatro respostas distintas de filtros ativos passa-baixas de ordem 6 e frequência de corte em 1 kHz.

A correta correlação entre as curvas e as aproximações é:
Provas
A figura abaixo ilustra o funcionamento de um computador digital.

Para operar os quatro tipos possíveis de mecanismos de ação, o bloco incógnita (?) deve ser identificado como um mecanismo de:
Provas
A aritmética binária resultante da soma do número octal 12 com o número decimal 11 e com o número hexadecimal 10 é respectivamente:
Provas
O circuito esquematizado na figura abaixo digitalmente responde conforme a porta:

Provas
A figura abaixo ilustra o esquema de um circuito eletrônico digital.

A relação entrada-saída válida é:
Provas
Um fragmento da execução de um programa é ilustrado de forma simplificada na figura abaixo, em que o conteúdo da memória e dos registradores está em hexadecimal.

Em análise, verifica-se que:
Provas
Caderno Container