Foram encontradas 70 questões.
João preparou um longo documento no MS Word BR. Após a
revisão no departamento de qualidade de sua empresa, João foi
informado que deve efetuar as seguintes correções no texto:
I. Substituir todas as ocorrências de Assembleia, com ou sem maiúsculas, para ASSEMBLEIA, com todas as letras maiúsculas. II. Substituir todas as ocorrências de USA, em maiúsculas, para Estados Unidos. III. Substituir todas as palavras com a fonte Arial para a fonte Tahoma. IV. Substituir todas as ocorrências de Brasil, grafada em itálico, para BRASIL, grafada em negrito.
Assinale a opção que apresenta as substituições que podem ser integralmente realizadas por meio do comando Substituir do Word.
I. Substituir todas as ocorrências de Assembleia, com ou sem maiúsculas, para ASSEMBLEIA, com todas as letras maiúsculas. II. Substituir todas as ocorrências de USA, em maiúsculas, para Estados Unidos. III. Substituir todas as palavras com a fonte Arial para a fonte Tahoma. IV. Substituir todas as ocorrências de Brasil, grafada em itálico, para BRASIL, grafada em negrito.
Assinale a opção que apresenta as substituições que podem ser integralmente realizadas por meio do comando Substituir do Word.
Provas
Questão presente nas seguintes provas
Leia o fragmento a seguir.
O processo participativo com foco nas estratégias organizacionais e nas metas a alcançar, que visa a apoiar ações eficazes e efetivas na gestão de pessoas e está vinculado à avaliação institucional, desenvolvendo-se sem intermitências temporais.
Esse processo é chamado de
O processo participativo com foco nas estratégias organizacionais e nas metas a alcançar, que visa a apoiar ações eficazes e efetivas na gestão de pessoas e está vinculado à avaliação institucional, desenvolvendo-se sem intermitências temporais.
Esse processo é chamado de
Provas
Questão presente nas seguintes provas
Assinale a opção que indica a hachura utilizada na representação
de vistas de peças de concreto em projetos de arquitetura.
Provas
Questão presente nas seguintes provas
A figura a seguir ilustra um diagrama muito utilizado no projeto
de instalações elétricas.

Esse tipo de diagrama é conhecido com

Esse tipo de diagrama é conhecido com
Provas
Questão presente nas seguintes provas
Atenção: com base na figura a seguir, responda à questão.
A instalação elétrica da sala de uma casa é apresentada na figura
a seguir.

Provas
Questão presente nas seguintes provas
Atenção: com base na figura a seguir, responda à questão.
A instalação elétrica da sala de uma casa é apresentada na figura
a seguir.

Provas
Questão presente nas seguintes provas
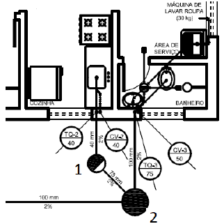
Uma parte da instalação de esgoto de uma pequena edificação
residencial é apresentada na figura a seguir.

Nessa figura, os elementos indicados pelos números 1 e 2 são denominados, respectivamente,

Nessa figura, os elementos indicados pelos números 1 e 2 são denominados, respectivamente,
Provas
Questão presente nas seguintes provas
Atenção: com base na figura a seguir, responda à questão.
A figura apresenta uma plataforma retangular construída em
terreno levemente inclinado, representado por suas curvas de
nível, cujas cotas são dadas em metros.

Provas
Questão presente nas seguintes provas
Atenção: com base na figura a seguir, responda à questão.
A figura apresenta uma plataforma retangular construída em
terreno levemente inclinado, representado por suas curvas de
nível, cujas cotas são dadas em metros.

Provas
Questão presente nas seguintes provas
Nas figuras a seguir, são apresentados acidentes topográficos
indicados por meio de curvas de nível.

Os acidentes 1 e 2 são conhecidos, respectivamente, como

Os acidentes 1 e 2 são conhecidos, respectivamente, como
Provas
Questão presente nas seguintes provas
Cadernos
Caderno Container