Foram encontradas 70 questões.
O desenho a seguir apresenta a ligação de um pilar metálico de
seção retangular com sua fundação. Uma chapa metálica é
utilizada para auxiliar nessa ligação.

Sobre essa figura, analise as afirmativas a seguir.
I. O pilar é ligado à chapa por meio de uma solda de filete. II. A chapa é ligada à fundação por meio de dois parafusos. III. A ligação entre o pilar e a chapa é permanente.
Está correto o que se afirma em

Sobre essa figura, analise as afirmativas a seguir.
I. O pilar é ligado à chapa por meio de uma solda de filete. II. A chapa é ligada à fundação por meio de dois parafusos. III. A ligação entre o pilar e a chapa é permanente.
Está correto o que se afirma em
Provas
Questão presente nas seguintes provas
Na figura a seguir, apresenta-se, esquematicamente, uma
estrutura de madeira tipicamente empregada na construção de
telhados.
Nessa figura, os elementos indicados com os números 1 e 2 são conhecidos, respectivamente, como
Nessa figura, os elementos indicados com os números 1 e 2 são conhecidos, respectivamente, como
Provas
Questão presente nas seguintes provas
- Desenho Técnico na Engenharia Civil
- Estruturas
- Resistência dos Materiais e Análise EstruturalEstruturas de Concreto
Atenção: com base na figura a seguir, responda à questão.
Na figura, apresenta-se a planta de formas da estrutura de
concreto armado de um pavimento de uma edificação
residencial.

Provas
Questão presente nas seguintes provas
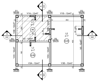
Atenção: com base na figura a seguir, responda à questão.
Na figura, apresenta-se a planta de formas da estrutura de
concreto armado de um pavimento de uma edificação
residencial.

I. Todas as lajes do pavimento possuem espessura de 7 cm. II. A viga V2 é invertida. III. O pilar P5 morre no pavimento.
Está correto o que se afirma em
Provas
Questão presente nas seguintes provas
Atenção: com base na figura a seguir, responda à questão.
Na figura, apresenta-se, esquematicamente, parte de uma
estrutura de concreto armado.

I. As armaduras longitudinais desse pilar podem possuir, cada uma, bitolas diferentes. II. A armadura transversal tem, como uma de suas funções, prevenir a flambagem das armaduras longitudinais. III. O menor número possível de barras longitudinais, nesse caso, é quatro.
Está correto o que se afirma em
Provas
Questão presente nas seguintes provas
Atenção: com base na figura a seguir, responda à questão.
Na figura, apresenta-se, esquematicamente, parte de uma
estrutura de concreto armado.

Provas
Questão presente nas seguintes provas
A figura a seguir apresenta um símbolo muito empregado na
confecção de plantas baixas em projetos arquitetônicos.

Esse símbolo indica que

Esse símbolo indica que
Provas
Questão presente nas seguintes provas
Atenção: com base na figura a seguir, responda à questão.
A figura apresenta a parte da planta baixa de uma edificação
residencial com um pavimento.

Provas
Questão presente nas seguintes provas
Atenção: com base na figura a seguir, responda à questão.
A figura apresenta a parte da planta baixa de uma edificação
residencial com um pavimento.

Provas
Questão presente nas seguintes provas
Atenção: com base na figura a seguir, responda à questão.
A figura apresenta a planta de situação de uma pequena
edificação residencial.

Provas
Questão presente nas seguintes provas
Cadernos
Caderno Container