Foram encontradas 50 questões.

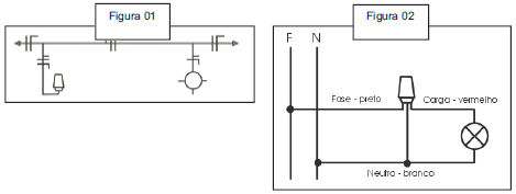
Em circuitos de iluminação de exteriores (de ruas, de sinalização em caixas d'água, em pátios etc.), é muito comum o acionamento automático por elementos fotossensíveis. Eles operam segundo a intensidade de luz recebida. O acionamento automático é muito útil em iluminação pública, pois eliminam o fio-piloto para o comando das lâmpadas, bem como o operador para apagar e acender. O fio-piloto corresponde ao fio retorno nas instalações de interruptores. A respeito da instalação de uma lâmpada acionado por fotocélula, julgue os procedimentos abaixo e marque a alternativa CORRETA.
I. 1º Passo: com o auxílio do cabo guia, coloque a fiação dentro do eletroduto, seguindo o diagrama unifilar mostrado na Figura 1;
II. 2º Passo: faça as devidas conexões ao receptáculo ou soquete, a fotocélula e emendas, se necessário, seguindo o diagrama multifilar mostrado na Figura 2;
III. 3º Passo: a fim de testar o circuito, utilize um dispositivo emissor de luz, externo ao circuito, que emita raios de luz sobre a fotocélula. Se a lâmpada for acionada, o circuito não está montado corretamente. Interrompa a passagem de luz para o elemento fotossensível para que a lâmpada seja acionada.
Leia as instruções de teste contidas no “corpo” da fotocélula, e siga as a fim de verificar o seu funcionamento.
Provas
Questão presente nas seguintes provas
Para executar corretamente qualquer tipo de trabalho, deverá ser feito um planejamento: o que fazer e como deverá ser feito. Com isso o trabalho terá uma melhor qualidade: menor custo e tempo de execução, mais eficiência e segurança. O planejamento de uma instalação elétrica residencial deverá ter como base alguns passos. Analise as alternativas abaixo, e marque a ERRADA, no que diz respeito ao planejamento de uma instalação elétrica.
Provas
Questão presente nas seguintes provas
As unidades de medidas no Brasil utilizam o Sistema Internacional de Unidades. As unidades com os seus múltiplos e submúltiplos podem ser escritas com o seu nome por extenso ou através de seu símbolo. A respeito das unidades de medidas analise as alternativas abaixo e marque a opção ERRADA.
Provas
Questão presente nas seguintes provas
Calcule a corrente, resistência e a energia elétrica consumida por um chuveiro elétrico com uma potência de 4.400 Watts, 127 Volts, funcionando durante 15 minutos. Após os cálculos, marque a alternativa CORRETA.
Provas
Questão presente nas seguintes provas
A energia elétrica é transportada sob a forma de corrente elétrica e pode apresentar-se sob duas formas: Corrente Contínua (CC) e Corrente Alternada (CA). A respeito das formas de corrente elétrica, julgue os itens seguintes e marque a alternativa CORRETA.
I. A Corrente Contínua (CC) é aquela que não mantém sempre a mesma polaridade, fornecendo uma tensão elétrica (ou corrente elétrica) com uma forma de onda não constante (sem oscilações), como é o caso da energia fornecida pelas pilhas e baterias. Tem-se um pólo positivo e outro negativo;
II. A Corrente Alternada (CA) tem a sua polaridade invertida um certo número de vezes por segundo, isto é, a forma de onda oscila diversas vezes em cada segundo. O número de oscilações (ou variações) que a tensão elétrica (ou corrente elétrica) faz por segundo é denominado de Freqüência;
III. A grande maioria dos equipamentos elétricos funciona em corrente alternada (CA), como os motores de indução, os eletrodomésticos, lâmpadas de iluminação, etc;
IV. A corrente contínua (CC) é menos utilizada. Como exemplo, tem-se: os sistemas de segurança e controle, os equipamentos que funcionam com pilhas ou baterias, os motores de corrente contínua, etc.
Provas
Questão presente nas seguintes provas
A respeito das potências ativa e reativa, julgue os itens seguintes e marque a alternativa CORRETA.
I. A potência ativa é a parcela efetivamente transformada em: potência mecânica, potência térmica e potência luminosa;
II. A potência reativa é a parcela transformada em campo magnético necessário a funcionamento de: motores, transformadores e reatores;
III. A unidade de medida da potência ativa é o watt (W);
IV. A unidade de medida da potência reativa é o ampère (A).
Provas
Questão presente nas seguintes provas
Os condicionadores de ar, dependendo do modelo, podem refrigerar e/ou aquecer ambientes. Assim como as geladeiras e freezers, estes equipamentos quando mais eficientes, também têm selo PROCEL de economia de energia. A respeito dos condicionadores de ar, analise as alternativas abaixo e marque a ERRADA.
Provas
Questão presente nas seguintes provas
A Isolação de um equipamento elétrico é formada por materiais que isolam eletricamente o equipamento. É importante ressaltar que a isolação dos equipamentos/componentes elétricos é de suma importância na proteção contra os choques elétricos, tanto pelo contato indireto, como pelo contato direto com esses equipamentos. Existem alguns tipos de Isolação utilizados em equipamentos/componentes elétricos (de acordo com a Norma vigente NBR 6151, da ABNT). Sobre o assunto, análise os itens abaixo e marque a alternativa CORRETA.


I. Isolação Básica é a isolação aplicada a partes vivas para assegurar a proteção contra choques elétricos;
II. Isolação Suplementar é uma isolação única, mas não necessariamente homogênea aplicada sobre as partes vivas, que tem propriedades elétricas equivalente às de uma Isolação Dupla;
III. Isolação Dupla é a isolação composta por uma Isolação Básica e uma Isolação Suplementar;
IV. Isolação Reforçada é a isolação adicional e independente da Isolação Básica, destinada a assegurar a proteção contra choques elétricos no caso de falha da Isolação Básica.
Provas
Questão presente nas seguintes provas
Uma residência, com a carga estabelecida a seguir, deverá ser alimentada através de uma rede de baixa tensão, ligação a 2 fios, 127 V. Determinar a seção (mm2) e a quantidade (metros) dos condutores para o ramal que vai do Quadro do Medidor do Padrão da concessionária até o QDC através de um eletroduto embutido na parede em linha reta.Se necessário, utilizar as tabelas seguintes. A distância é de 6 m e a Ä U máxima admissível é de 1%. CARGA NA RESIDÊNCIA: 1 chuveiro: 4.400 VA; 10 lâmpadas de 60 W: 600 VA; 1 ferro elétrico: 1.000 VA; 1 TV: 80 VA e Outros: 300 VA. Após cálculos assinale a alternativa CORRETA.
Provas
Questão presente nas seguintes provas
O Quadro de Distribuição de Circuitos - QDC deverá ser feito de material metálico e ser instalado em local de fácil acesso, preferencialmente no centro de cargas da instalação elétrica e possuir uma identificação do lado externo de seus componentes - Dispositivos de Proteção e de Segurança e dos Circuitos Elétricos com as respectivas cargas. No Quadro de Distribuição de Circuitos - QDC, deverão ser instalados os dispositivos de proteção para os respectivos circuitos (um para cada circuito). O QDC deverá conter/possibilitar a instalação de alguns dispositivos listados a seguir. Analise os itens a seguir e marque a alternativa CORRETA.
I. Deverá conter/possibilitar a instalação de barramentos para os condutores das Fases;
II. Deverá conter/possibilitar a instalação de terminal para ligação do condutor Neutro;
III. Deverá conter/possibilitar a instalação de terminal para ligação do condutor de Proteção (PE);
IV. Deverá conter/possibilitar a instalação de disjuntores Termomagnéticos;
V. Deverá conter/possibilitar a instalação de dispositivos Diferencial-Residual - DR;
Provas
Questão presente nas seguintes provas
Cadernos
Caderno Container