Foram encontradas 60 questões.
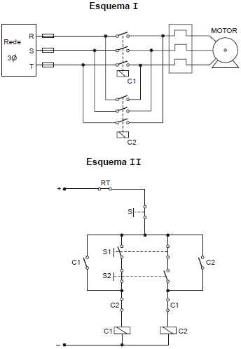
Instruções: Para responder à questão, considere os esquemas I e II abaixo referentes ao mesmo sistema elétrico.

Considere as proposições:
I. Os contatores têm dupla função: comando e auto-retenção.
II. O motor pode operar nos dois sentidos de rotação.
III. A função da chave S é, quando acionada manualmente, ligar o motor.
IV. Para o sistema funcionar corretamente, as sequências de operações devem ser: S1 − S − S2 − S ou S2 − S − S1 − S.
Está correto o que se afirma APENAS em
Provas
Questão presente nas seguintes provas
Instruções: Para responder à questão, considere os esquemas I e II abaixo referentes ao mesmo sistema elétrico.

Os dispositivos de proteção do esquema I são denominados
Provas
Questão presente nas seguintes provas
Considere a tabela a seguir.
| Resistividade do cobre: 1,75 μΩcm | ||
| Capacidade de condução de corrente Cabos de cobre isolados com PVC 70 °C Temperatura ambiente 30 °C − Instalação em eletroduto aparente | ||
| Seção (mm2) | 2 condutores carregados (A) | 3 condutores carregados (A) |
| 6 10 16 25 35 | 41 57 76 101 125 | 36 50 68 89 110 |
Uma instalação elétrica monofásica de 127 V com carga de 5,0 kW e fator de potência 0,85 necessita, apenas pela capacidade de condução de corrente, de condutores com seção mínima de, em mm2,
Provas
Questão presente nas seguintes provas
A tabela a seguir mostra a distribuição das notas dos alunos de uma classe numa prova constituída de dez testes de múltipla escolha, cada um valendo 1 ponto.
| Nota | Quantidade de alunos |
| 3 | 1 |
| 4 | 5 |
| 5 | ??? |
| 6 | 11 |
| 7 | 8 |
| 8 | 4 |
| 9 | 2 |
Se a média da classe nesta prova foi 6, então o número de alunos que tiraram 5 é igual a
Provas
Questão presente nas seguintes provas
Atenção: A questão refere-se ao texto seguinte.
Representatividade ética
Costuma-se repetir à exaustão, e com as consequências características do abuso de frases feitas e lugares-comuns, que as esferas do poder público são o reflexo direto das melhores qualidades e dos piores defeitos do povo do país. Na esteira dessa convicção geral, afirma-se que as casas legislativas brasileiras espelham fielmente os temperamentos e os interesses dos eleitores brasileiros. É o caso de se perguntar: mesmo que seja assim, deve ser assim? Pois uma vez aceita essa correspondência mecânica, ela acaba se tornando um oportuno álibi para quem deseja inocentar de plano a classe política, atribuindo seus deslizes a vocações disseminadas pela nação inteira... Perguntariam os cínicos se não seria o caso, então, de não mais delegar o poder apenas a uns poucos, mas buscar reparti-lo entre todos, numa grande e festiva anarquia, eliminando-se os intermediários. O velho e divertido Barão de Itararé já reivindicava, com a acidez típica de seu humor: “Restaure-se a moralidade, ou então nos locupletemos todos!”.
As casas legislativas, cujos membros são todos eleitos pelo voto direto, não podem ser vistas como uma síntese cristalizada da índole de toda uma sociedade, incluindo-se aí as perversões, os interesses escusos, as distorções de valor. A chancela da representatividade, que legitima os legisladores, não os autoriza em hipótese alguma a duplicar os vícios sociais; de fato, tal representação deve ser considerada, entre outras coisas, como um compromisso firmado para a eliminação dessas mazelas. O poder conferido aos legisladores deriva, obviamente, das postulações positivas e construtivas de uma determinada ordem social, que se pretende cada vez mais justa e equilibrada.
Combater a circulação dessas frases feitas e lugares-comuns que pretendem abonar situações injuriosas é uma forma de combater a estagnação crítica − essa oportunista aliada dos que maliciosamente se agarram ao fatalismo das “fraquezas humanas” para tentar justificar os desvios de conduta do homem público. Entre as tarefas do legislador, está a de fazer acreditar que nenhuma sociedade está condenada a ser uma comprovação de teses derrotistas.
(Demétrio Saraiva, inédito)
Está clara e correta a redação deste livre comentário sobre o texto:
Provas
Questão presente nas seguintes provas
Atenção: A questão refere-se ao texto seguinte.
Representatividade ética
Costuma-se repetir à exaustão, e com as consequências características do abuso de frases feitas e lugares-comuns, que as esferas do poder público são o reflexo direto das melhores qualidades e dos piores defeitos do povo do país. Na esteira dessa convicção geral, afirma-se que as casas legislativas brasileiras espelham fielmente os temperamentos e os interesses dos eleitores brasileiros. É o caso de se perguntar: mesmo que seja assim, deve ser assim? Pois uma vez aceita essa correspondência mecânica, ela acaba se tornando um oportuno álibi para quem deseja inocentar de plano a classe política, atribuindo seus deslizes a vocações disseminadas pela nação inteira... Perguntariam os cínicos se não seria o caso, então, de não mais delegar o poder apenas a uns poucos, mas buscar reparti-lo entre todos, numa grande e festiva anarquia, eliminando-se os intermediários. O velho e divertido Barão de Itararé já reivindicava, com a acidez típica de seu humor: “Restaure-se a moralidade, ou então nos locupletemos todos!”.
As casas legislativas, cujos membros são todos eleitos pelo voto direto, não podem ser vistas como uma síntese cristalizada da índole de toda uma sociedade, incluindo-se aí as perversões, os interesses escusos, as distorções de valor. A chancela da representatividade, que legitima os legisladores, não os autoriza em hipótese alguma a duplicar os vícios sociais; de fato, tal representação deve ser considerada, entre outras coisas, como um compromisso firmado para a eliminação dessas mazelas. O poder conferido aos legisladores deriva, obviamente, das postulações positivas e construtivas de uma determinada ordem social, que se pretende cada vez mais justa e equilibrada.
Combater a circulação dessas frases feitas e lugares-comuns que pretendem abonar situações injuriosas é uma forma de combater a estagnação crítica − essa oportunista aliada dos que maliciosamente se agarram ao fatalismo das “fraquezas humanas” para tentar justificar os desvios de conduta do homem público. Entre as tarefas do legislador, está a de fazer acreditar que nenhuma sociedade está condenada a ser uma comprovação de teses derrotistas.
(Demétrio Saraiva, inédito)
A chancela da representatividade, que legitima os legisladores, não os autoriza em hipótese alguma a duplicar os vícios sociais (...).
Nessa frase, são exemplos de uma mesma função sintática os termos
Provas
Questão presente nas seguintes provas
Atenção: A questão refere-se ao texto seguinte.
Representatividade ética
Costuma-se repetir à exaustão, e com as consequências características do abuso de frases feitas e lugares-comuns, que as esferas do poder público são o reflexo direto das melhores qualidades e dos piores defeitos do povo do país. Na esteira dessa convicção geral, afirma-se que as casas legislativas brasileiras espelham fielmente os temperamentos e os interesses dos eleitores brasileiros. É o caso de se perguntar: mesmo que seja assim, deve ser assim? Pois uma vez aceita essa correspondência mecânica, ela acaba se tornando um oportuno álibi para quem deseja inocentar de plano a classe política, atribuindo seus deslizes a vocações disseminadas pela nação inteira... Perguntariam os cínicos se não seria o caso, então, de não mais delegar o poder apenas a uns poucos, mas buscar reparti-lo entre todos, numa grande e festiva anarquia, eliminando-se os intermediários. O velho e divertido Barão de Itararé já reivindicava, com a acidez típica de seu humor: “Restaure-se a moralidade, ou então nos locupletemos todos!”.
As casas legislativas, cujos membros são todos eleitos pelo voto direto, não podem ser vistas como uma síntese cristalizada da índole de toda uma sociedade, incluindo-se aí as perversões, os interesses escusos, as distorções de valor. A chancela da representatividade, que legitima os legisladores, não os autoriza em hipótese alguma a duplicar os vícios sociais; de fato, tal representação deve ser considerada, entre outras coisas, como um compromisso firmado para a eliminação dessas mazelas. O poder conferido aos legisladores deriva, obviamente, das postulações positivas e construtivas de uma determinada ordem social, que se pretende cada vez mais justa e equilibrada.
Combater a circulação dessas frases feitas e lugares-comuns que pretendem abonar situações injuriosas é uma forma de combater a estagnação crítica − essa oportunista aliada dos que maliciosamente se agarram ao fatalismo das “fraquezas humanas” para tentar justificar os desvios de conduta do homem público. Entre as tarefas do legislador, está a de fazer acreditar que nenhuma sociedade está condenada a ser uma comprovação de teses derrotistas.
(Demétrio Saraiva, inédito)
Uma nova e correta redação da frase do Barão de Itararé, citada no texto, que preserva o sentido original é:
Provas
Questão presente nas seguintes provas
Atenção: A questão refere-se ao texto seguinte.
Representatividade ética
Costuma-se repetir à exaustão, e com as consequências características do abuso de frases feitas e lugares-comuns, que as esferas do poder público são o reflexo direto das melhores qualidades e dos piores defeitos do povo do país. Na esteira dessa convicção geral, afirma-se que as casas legislativas brasileiras espelham fielmente os temperamentos e os interesses dos eleitores brasileiros. É o caso de se perguntar: mesmo que seja assim, deve ser assim? Pois uma vez aceita essa correspondência mecânica, ela acaba se tornando um oportuno álibi para quem deseja inocentar de plano a classe política, atribuindo seus deslizes a vocações disseminadas pela nação inteira... Perguntariam os cínicos se não seria o caso, então, de não mais delegar o poder apenas a uns poucos, mas buscar reparti-lo entre todos, numa grande e festiva anarquia, eliminando-se os intermediários. O velho e divertido Barão de Itararé já reivindicava, com a acidez típica de seu humor: “Restaure-se a moralidade, ou então nos locupletemos todos!”.
As casas legislativas, cujos membros são todos eleitos pelo voto direto, não podem ser vistas como uma síntese cristalizada da índole de toda uma sociedade, incluindo-se aí as perversões, os interesses escusos, as distorções de valor. A chancela da representatividade, que legitima os legisladores, não os autoriza em hipótese alguma a duplicar os vícios sociais; de fato, tal representação deve ser considerada, entre outras coisas, como um compromisso firmado para a eliminação dessas mazelas. O poder conferido aos legisladores deriva, obviamente, das postulações positivas e construtivas de uma determinada ordem social, que se pretende cada vez mais justa e equilibrada.
Combater a circulação dessas frases feitas e lugares-comuns que pretendem abonar situações injuriosas é uma forma de combater a estagnação crítica − essa oportunista aliada dos que maliciosamente se agarram ao fatalismo das “fraquezas humanas” para tentar justificar os desvios de conduta do homem público. Entre as tarefas do legislador, está a de fazer acreditar que nenhuma sociedade está condenada a ser uma comprovação de teses derrotistas.
(Demétrio Saraiva, inédito)
As casas legislativas, cujos membros são todos eleitos pelo voto direto, não podem ser vistas como uma síntese cristalizada da índole de toda uma sociedade (...).
Considerando-se aspectos de construção da frase acima, é correto afirmar que
Provas
Questão presente nas seguintes provas
Atenção: A questão refere-se ao texto seguinte.
Representatividade ética
Costuma-se repetir à exaustão, e com as consequências características do abuso de frases feitas e lugares-comuns, que as esferas do poder público são o reflexo direto das melhores qualidades e dos piores defeitos do povo do país. Na esteira dessa convicção geral, afirma-se que as casas legislativas brasileiras espelham fielmente os temperamentos e os interesses dos eleitores brasileiros. É o caso de se perguntar: mesmo que seja assim, deve ser assim? Pois uma vez aceita essa correspondência mecânica, ela acaba se tornando um oportuno álibi para quem deseja inocentar de plano a classe política, atribuindo seus deslizes a vocações disseminadas pela nação inteira... Perguntariam os cínicos se não seria o caso, então, de não mais delegar o poder apenas a uns poucos, mas buscar reparti-lo entre todos, numa grande e festiva anarquia, eliminando-se os intermediários. O velho e divertido Barão de Itararé já reivindicava, com a acidez típica de seu humor: “Restaure-se a moralidade, ou então nos locupletemos todos!”.
As casas legislativas, cujos membros são todos eleitos pelo voto direto, não podem ser vistas como uma síntese cristalizada da índole de toda uma sociedade, incluindo-se aí as perversões, os interesses escusos, as distorções de valor. A chancela da representatividade, que legitima os legisladores, não os autoriza em hipótese alguma a duplicar os vícios sociais; de fato, tal representação deve ser considerada, entre outras coisas, como um compromisso firmado para a eliminação dessas mazelas. O poder conferido aos legisladores deriva, obviamente, das postulações positivas e construtivas de uma determinada ordem social, que se pretende cada vez mais justa e equilibrada.
Combater a circulação dessas frases feitas e lugares-comuns que pretendem abonar situações injuriosas é uma forma de combater a estagnação crítica − essa oportunista aliada dos que maliciosamente se agarram ao fatalismo das “fraquezas humanas” para tentar justificar os desvios de conduta do homem público. Entre as tarefas do legislador, está a de fazer acreditar que nenhuma sociedade está condenada a ser uma comprovação de teses derrotistas.
(Demétrio Saraiva, inédito)
O velho e divertido Barão de Itararé já reivindicava (...): “Restaure-se a moralidade, ou então nos locupletemos todos!”.
Transpondo-se adequadamente o trecho acima para o discurso indireto, ele ficará: O velho e divertido Barão de Itararé já reivindicava que
Provas
Questão presente nas seguintes provas
Atenção: A questão refere-se ao texto seguinte.
Representatividade ética
Costuma-se repetir à exaustão, e com as consequências características do abuso de frases feitas e lugares-comuns, que as esferas do poder público são o reflexo direto das melhores qualidades e dos piores defeitos do povo do país. Na esteira dessa convicção geral, afirma-se que as casas legislativas brasileiras espelham fielmente os temperamentos e os interesses dos eleitores brasileiros. É o caso de se perguntar: mesmo que seja assim, deve ser assim? Pois uma vez aceita essa correspondência mecânica, ela acaba se tornando um oportuno álibi para quem deseja inocentar de plano a classe política, atribuindo seus deslizes a vocações disseminadas pela nação inteira... Perguntariam os cínicos se não seria o caso, então, de não mais delegar o poder apenas a uns poucos, mas buscar reparti-lo entre todos, numa grande e festiva anarquia, eliminando-se os intermediários. O velho e divertido Barão de Itararé já reivindicava, com a acidez típica de seu humor: “Restaure-se a moralidade, ou então nos locupletemos todos!”.
As casas legislativas, cujos membros são todos eleitos pelo voto direto, não podem ser vistas como uma síntese cristalizada da índole de toda uma sociedade, incluindo-se aí as perversões, os interesses escusos, as distorções de valor. A chancela da representatividade, que legitima os legisladores, não os autoriza em hipótese alguma a duplicar os vícios sociais; de fato, tal representação deve ser considerada, entre outras coisas, como um compromisso firmado para a eliminação dessas mazelas. O poder conferido aos legisladores deriva, obviamente, das postulações positivas e construtivas de uma determinada ordem social, que se pretende cada vez mais justa e equilibrada.
Combater a circulação dessas frases feitas e lugares-comuns que pretendem abonar situações injuriosas é uma forma de combater a estagnação crítica − essa oportunista aliada dos que maliciosamente se agarram ao fatalismo das “fraquezas humanas” para tentar justificar os desvios de conduta do homem público. Entre as tarefas do legislador, está a de fazer acreditar que nenhuma sociedade está condenada a ser uma comprovação de teses derrotistas.
(Demétrio Saraiva, inédito)
Atente paras as seguintes afirmações:
I. No 1º parágrafo, a pergunta dos cínicos e a frase do Barão de Itararé consideram a possibilidade da universalização de vantagens inescrupulosamente obtidas.
II. No 2º parágrafo, o autor expressa sua convicção de que é fatal, na esfera do poder legislativo, a disseminação das mesmas mazelas que afetam o conjunto da sociedade.
III. No 3º parágrafo, o combate aos lugares-comuns e às frases feitas é considerado um recurso válido para quem considera banal a disseminação dos vícios sociais.
Em relação ao texto, está correto APENAS o que se afirma em
Provas
Questão presente nas seguintes provas
Cadernos
Caderno Container