Foram encontradas 60 questões.
Em um gerador trifásico balanceado, uma das tensões de fase vale 220 !$ \angle !$0°[V].
Nesse caso, as outras duas fases valem, aproximadamente,
Provas
Questão presente nas seguintes provas
Atenção: A questão refere-se ao texto seguinte.
Espaço e tempo modernos
Nota-se nos romances mais representativos do século XX uma modificação análoga à que sucedeu com a pintura moderna, modificação que parece ser essencial à estrutura do modernismo. À eliminação do espaço ou da ilusão do espaço, na pintura, parece corresponder, no romance, a da sucessão temporal. A cronologia e a continuidade temporal foram abaladas, “os relógios foram destruídos”. O romance moderno nasceu no momento em que Proust, Joyce e Gide começam a desfazer a ordem cronológica, fundindo passado, presente e futuro, fazendo prevalecer o princípio da simultaneidade sobre o da sucessão temporal.
A visão de uma realidade mais profunda, mais real que a do senso comum, é assim incorporada à forma total da obra de arte. O homem já não vive “no tempo”, ele passa a “ser tempo”, ou seja, a carregar dentro de si a dimensão de um tempo que não apenas flui, mas que problematiza a si mesmo.
(Adaptado de Anatol Rosenfeld. Texto/contexto)
Considerando-se o contexto, nos segmentos análoga à que sucedeu com a pintura moderna (1º parágrafo) e incorporada à forma total da obra de arte (2º parágrafo), não haverá prejuízo para a correção caso se substituam os elementos sublinhados, respectivamente, por
Provas
Questão presente nas seguintes provas
Atenção: A questão refere-se ao texto seguinte.
Espaço e tempo modernos
Nota-se nos romances mais representativos do século XX uma modificação análoga à que sucedeu com a pintura moderna, modificação que parece ser essencial à estrutura do modernismo. À eliminação do espaço ou da ilusão do espaço, na pintura, parece corresponder, no romance, a da sucessão temporal. A cronologia e a continuidade temporal foram abaladas, “os relógios foram destruídos”. O romance moderno nasceu no momento em que Proust, Joyce e Gide começam a desfazer a ordem cronológica, fundindo passado, presente e futuro, fazendo prevalecer o princípio da simultaneidade sobre o da sucessão temporal.
A visão de uma realidade mais profunda, mais real que a do senso comum, é assim incorporada à forma total da obra de arte. O homem já não vive “no tempo”, ele passa a “ser tempo”, ou seja, a carregar dentro de si a dimensão de um tempo que não apenas flui, mas que problematiza a si mesmo.
(Adaptado de Anatol Rosenfeld. Texto/contexto)
Formaram-se pelo processo de derivação sufixal as palavras
Provas
Questão presente nas seguintes provas
Atenção: A questão refere-se ao texto seguinte.
Espaço e tempo modernos
Nota-se nos romances mais representativos do século XX uma modificação análoga à que sucedeu com a pintura moderna, modificação que parece ser essencial à estrutura do modernismo. À eliminação do espaço ou da ilusão do espaço, na pintura, parece corresponder, no romance, a da sucessão temporal. A cronologia e a continuidade temporal foram abaladas, “os relógios foram destruídos”. O romance moderno nasceu no momento em que Proust, Joyce e Gide começam a desfazer a ordem cronológica, fundindo passado, presente e futuro, fazendo prevalecer o princípio da simultaneidade sobre o da sucessão temporal.
A visão de uma realidade mais profunda, mais real que a do senso comum, é assim incorporada à forma total da obra de arte. O homem já não vive “no tempo”, ele passa a “ser tempo”, ou seja, a carregar dentro de si a dimensão de um tempo que não apenas flui, mas que problematiza a si mesmo.
(Adaptado de Anatol Rosenfeld. Texto/contexto)
O senso comum vê o tempo apenas como um constante fluir, não distingue o tempo como um fenômeno complexo, nem considera o tempo como uma realidade interior; muitos chegam mesmo a confundir o tempo com os ponteiros de um relógio.
Evitam-se as viciosas repetições da frase acima substituindo-se os elementos sublinhados, na ordem dada, por:
Provas
Questão presente nas seguintes provas
Atenção: A questão refere-se ao texto seguinte.
Espaço e tempo modernos
Nota-se nos romances mais representativos do século XX uma modificação análoga à que sucedeu com a pintura moderna, modificação que parece ser essencial à estrutura do modernismo. À eliminação do espaço ou da ilusão do espaço, na pintura, parece corresponder, no romance, a da sucessão temporal. A cronologia e a continuidade temporal foram abaladas, “os relógios foram destruídos”. O romance moderno nasceu no momento em que Proust, Joyce e Gide começam a desfazer a ordem cronológica, fundindo passado, presente e futuro, fazendo prevalecer o princípio da simultaneidade sobre o da sucessão temporal.
A visão de uma realidade mais profunda, mais real que a do senso comum, é assim incorporada à forma total da obra de arte. O homem já não vive “no tempo”, ele passa a “ser tempo”, ou seja, a carregar dentro de si a dimensão de um tempo que não apenas flui, mas que problematiza a si mesmo.
(Adaptado de Anatol Rosenfeld. Texto/contexto)
A seguinte frase apresenta redação clara e correta, sendo coerente com o sentido geral do texto:
Provas
Questão presente nas seguintes provas
Atenção: A questão refere-se ao texto seguinte.
Espaço e tempo modernos
Nota-se nos romances mais representativos do século XX uma modificação análoga à que sucedeu com a pintura moderna, modificação que parece ser essencial à estrutura do modernismo. À eliminação do espaço ou da ilusão do espaço, na pintura, parece corresponder, no romance, a da sucessão temporal. A cronologia e a continuidade temporal foram abaladas, “os relógios foram destruídos”. O romance moderno nasceu no momento em que Proust, Joyce e Gide começam a desfazer a ordem cronológica, fundindo passado, presente e futuro, fazendo prevalecer o princípio da simultaneidade sobre o da sucessão temporal.
A visão de uma realidade mais profunda, mais real que a do senso comum, é assim incorporada à forma total da obra de arte. O homem já não vive “no tempo”, ele passa a “ser tempo”, ou seja, a carregar dentro de si a dimensão de um tempo que não apenas flui, mas que problematiza a si mesmo.
(Adaptado de Anatol Rosenfeld. Texto/contexto)
Atente para as seguintes afirmações:
I. O que há em comum entre a pintura e o romance está num novo tipo de consciência do tempo, pela qual se abole a sucessão de uma cronologia convencional.
II. Nos romances de Proust, Joyce e Gide, a expressão do tempo começou a não mais corresponder à do senso comum, tornando-se mais complexa e mais consciente de si mesma.
III. Deve-se entender com a expressão “os relógios foram destruídos” que, na modernidade, a passagem do tempo deixou de ter qualquer relevância.
Em relação ao texto, está correto o que se afirma em
Provas
Questão presente nas seguintes provas
Atenção: A questão refere-se ao texto seguinte.
Representatividade ética
Costuma-se repetir à exaustão, e com as consequências características do abuso de frases feitas e lugares-comuns, que as esferas do poder público são o reflexo direto das melhores qualidades e dos piores defeitos do povo do país. Na esteira dessa convicção geral, afirma-se que as casas legislativas brasileiras espelham fielmente os temperamentos e os interesses dos eleitores brasileiros. É o caso de se perguntar: mesmo que seja assim, deve ser assim? Pois uma vez aceita essa correspondência mecânica, ela acaba se tornando um oportuno álibi para quem deseja inocentar de plano a classe política, atribuindo seus deslizes a vocações disseminadas pela nação inteira... Perguntariam os cínicos se não seria o caso, então, de não mais delegar o poder apenas a uns poucos, mas buscar reparti-lo entre todos, numa grande e festiva anarquia, eliminando-se os intermediários. O velho e divertido Barão de Itararé já reivindicava, com a acidez típica de seu humor: “Restaure-se a moralidade, ou então nos locupletemos todos!”.
As casas legislativas, cujos membros são todos eleitos pelo voto direto, não podem ser vistas como uma síntese cristalizada da índole de toda uma sociedade, incluindo-se aí as perversões, os interesses escusos, as distorções de valor. A chancela da representatividade, que legitima os legisladores, não os autoriza em hipótese alguma a duplicar os vícios sociais; de fato, tal representação deve ser considerada, entre outras coisas, como um compromisso firmado para a eliminação dessas mazelas. O poder conferido aos legisladores deriva, obviamente, das postulações positivas e construtivas de uma determinada ordem social, que se pretende cada vez mais justa e equilibrada.
Combater a circulação dessas frases feitas e lugares-comuns que pretendem abonar situações injuriosas é uma forma de combater a estagnação crítica − essa oportunista aliada dos que maliciosamente se agarram ao fatalismo das “fraquezas humanas” para tentar justificar os desvios de conduta do homem público. Entre as tarefas do legislador, está a de fazer acreditar que nenhuma sociedade está condenada a ser uma comprovação de teses derrotistas.
(Demétrio Saraiva, inédito)
Quanto à flexão e à correlação de tempos e modos, estão corretas as formas verbais da frase:
Provas
Questão presente nas seguintes provas
Atenção: A questão refere-se ao texto seguinte.
Representatividade ética
Costuma-se repetir à exaustão, e com as consequências características do abuso de frases feitas e lugares-comuns, que as esferas do poder público são o reflexo direto das melhores qualidades e dos piores defeitos do povo do país. Na esteira dessa convicção geral, afirma-se que as casas legislativas brasileiras espelham fielmente os temperamentos e os interesses dos eleitores brasileiros. É o caso de se perguntar: mesmo que seja assim, deve ser assim? Pois uma vez aceita essa correspondência mecânica, ela acaba se tornando um oportuno álibi para quem deseja inocentar de plano a classe política, atribuindo seus deslizes a vocações disseminadas pela nação inteira... Perguntariam os cínicos se não seria o caso, então, de não mais delegar o poder apenas a uns poucos, mas buscar reparti-lo entre todos, numa grande e festiva anarquia, eliminando-se os intermediários. O velho e divertido Barão de Itararé já reivindicava, com a acidez típica de seu humor: “Restaure-se a moralidade, ou então nos locupletemos todos!”.
As casas legislativas, cujos membros são todos eleitos pelo voto direto, não podem ser vistas como uma síntese cristalizada da índole de toda uma sociedade, incluindo-se aí as perversões, os interesses escusos, as distorções de valor. A chancela da representatividade, que legitima os legisladores, não os autoriza em hipótese alguma a duplicar os vícios sociais; de fato, tal representação deve ser considerada, entre outras coisas, como um compromisso firmado para a eliminação dessas mazelas. O poder conferido aos legisladores deriva, obviamente, das postulações positivas e construtivas de uma determinada ordem social, que se pretende cada vez mais justa e equilibrada.
Combater a circulação dessas frases feitas e lugares-comuns que pretendem abonar situações injuriosas é uma forma de combater a estagnação crítica − essa oportunista aliada dos que maliciosamente se agarram ao fatalismo das “fraquezas humanas” para tentar justificar os desvios de conduta do homem público. Entre as tarefas do legislador, está a de fazer acreditar que nenhuma sociedade está condenada a ser uma comprovação de teses derrotistas.
(Demétrio Saraiva, inédito)
As normas de concordância verbal estão plenamente observadas na frase:
Provas
Questão presente nas seguintes provas
Atenção: A questão refere-se ao texto seguinte.
Representatividade ética
Costuma-se repetir à exaustão, e com as consequências características do abuso de frases feitas e lugares-comuns, que as esferas do poder público são o reflexo direto das melhores qualidades e dos piores defeitos do povo do país. Na esteira dessa convicção geral, afirma-se que as casas legislativas brasileiras espelham fielmente os temperamentos e os interesses dos eleitores brasileiros. É o caso de se perguntar: mesmo que seja assim, deve ser assim? Pois uma vez aceita essa correspondência mecânica, ela acaba se tornando um oportuno álibi para quem deseja inocentar de plano a classe política, atribuindo seus deslizes a vocações disseminadas pela nação inteira... Perguntariam os cínicos se não seria o caso, então, de não mais delegar o poder apenas a uns poucos, mas buscar reparti-lo entre todos, numa grande e festiva anarquia, eliminando-se os intermediários. O velho e divertido Barão de Itararé já reivindicava, com a acidez típica de seu humor: “Restaure-se a moralidade, ou então nos locupletemos todos!”.
As casas legislativas, cujos membros são todos eleitos pelo voto direto, não podem ser vistas como uma síntese cristalizada da índole de toda uma sociedade, incluindo-se aí as perversões, os interesses escusos, as distorções de valor. A chancela da representatividade, que legitima os legisladores, não os autoriza em hipótese alguma a duplicar os vícios sociais; de fato, tal representação deve ser considerada, entre outras coisas, como um compromisso firmado para a eliminação dessas mazelas. O poder conferido aos legisladores deriva, obviamente, das postulações positivas e construtivas de uma determinada ordem social, que se pretende cada vez mais justa e equilibrada.
Combater a circulação dessas frases feitas e lugares-comuns que pretendem abonar situações injuriosas é uma forma de combater a estagnação crítica − essa oportunista aliada dos que maliciosamente se agarram ao fatalismo das “fraquezas humanas” para tentar justificar os desvios de conduta do homem público. Entre as tarefas do legislador, está a de fazer acreditar que nenhuma sociedade está condenada a ser uma comprovação de teses derrotistas.
(Demétrio Saraiva, inédito)
Considerando-se o contexto, traduz-se adequadamente o sentido de um segmento em:
Provas
Questão presente nas seguintes provas
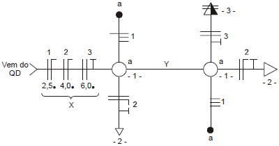
Instruções: Para responder à questão considere o texto, o esquema e as tabelas a seguir.

"O diagrama unifilar representa um trecho de uma instalação elétrica contendo um circuito de comando de duas lâmpadas incandescentes em paralelo controladas por dois interruptores paralelos instalados em locais distintos do ambiente, um circuito de duas tomadas de 127 V instaladas em pontos distintos do mesmo ambiente e um circuito de uma tomada de 220 V."
Tabela I − Especificações de Eletrodutos
| Referência de Rosca | Diâmetro Externo (mm) | Diâmetro Interno (mm) | Espessura da Parede (mm) | Área Total (mm2) | Área Útil (mm2) 1 cabo (53%) | Área Útil (mm2) 2 cabos (31%) | Área Útil (mm2) ≥ 3 cabos (40%) |
| 1/2" | 20 | 16 | 2,2 | 201,1 | 106,6 | 62,3 | 80,4 |
| 3/4" | 25 | 21 | 2,6 | 346,4 | 183,6 | 107,4 | 138,6 |
| 1" | 32 | 26,8 | 3,2 | 564,1 | 299,0 | 174,9 | 225,6 |
| 1.1/4" | 40 | 35,0 | 3,6 | 962,1 | 509,9 | 298,3 | 384,8 |
| 1.1/2" | 50 | 39,8 | 4,0 | 1244,1 | 659,4 | 385,7 | 497,6 |
Tabela II − Especificações de Condutores
| Seção Nominal do Condutor (mm2) | Diâmetro Externo (mm) | Área Total (mm2) |
| 2,5 | 3,4 | 9,1 |
| 4 | 3,9 | 11,9 |
| 6 | 4,4 | 15,2 |
O eletroduto Y está representado corretamente em
Provas
Questão presente nas seguintes provas
Cadernos
Caderno Container