Foram encontradas 60 questões.
Instruções: Para responder à questão considere o trecho do diagrama unifilar em planta baixa representado a seguir.

O aterramento da instalação elétrica é realizado através do condutor de proteção, cujo símbolo é
Provas
Questão presente nas seguintes provas
Técnica de modulação que consiste em chavear a frequência de uma portadora analógica de acordo com o nível lógico de um sinal modulante digital:
Provas
Questão presente nas seguintes provas
É uma tensão padrão de linha telefônica fixa quando o telefone encontra-se com o fone no gancho ou quando o telefone encontra-se desconectado da linha:
Provas
Questão presente nas seguintes provas
Em um circuito série composto de um indutor de 50 mH, um capacitor de 200 nF e um resistor de 47 Ω, a ressonância ocorre aproximadamente na frequência de, em krad/s,
Provas
Questão presente nas seguintes provas
Sobre fibras ópticas, considere as proposições seguintes:
I. A emenda de fibras ópticas por fusão oferece atenuação menor do que a emenda mecânica, mas exige um procedimento mais complexo.
II. Os sinais infravermelhos usados em comunicação óptica possuem comprimentos de onda entre 455 e 750 nm.
III. Em um enlace óptico, a perda de retorno é o parâmetro que mede a relação entre a potência do sinal refletido de volta à fonte e a potência do sinal incidente.
Está correto o que se afirma APENAS em
Provas
Questão presente nas seguintes provas
A expressão booleana
pode ser implementada de forma simplificada a partir da expressão equivalente:
Provas
Questão presente nas seguintes provas
Sobre a segurança em instalação elétrica em uma área livre, são estabelecidas três regiões delimitadas radialmente, em relação ao ponto da instalação energizado (PE), denominadas zonas de
Provas
Questão presente nas seguintes provas
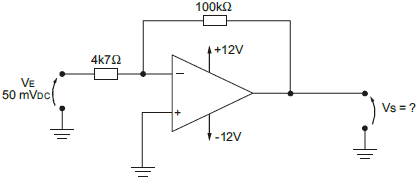
Analise o circuito a seguir.

Considerando o amplificador operacional ideal, a tensão de saída vale, aproximadamente,
Provas
Questão presente nas seguintes provas
O circuito integrado TTL 74193 é um contador binário de quatro bits, crescente/decrescente e possui um pino ativo em nível baixo que permite carregá-lo diretamente a partir das quatro entradas de dados.
Trata-se do pino denominado
Provas
Questão presente nas seguintes provas
Uma antena irradia com potência de 2 W na direção do lóbulo principal de seu diagrama de radiação e com potência de 100 mW no mesmo eixo, mas no sentido oposto.
Dado: log 2 = 0,3
A relação frente-costa dessa antena vale, em dB,
Provas
Questão presente nas seguintes provas
Cadernos
Caderno Container