Foram encontradas 60 questões.
Em programação estruturada, considera-se uma prática inadequada o emprego de comandos de desvio incondicional na estrutura do programa. O comando que tipicamente representa esse tipo de desvio incondicional é:
Provas
A Norma Regulamentadora NR-10 tem o seguinte título:
Provas
Observe a figura a seguir.

O diagrama Ladder apresentado pode ser traduzido pela expressão lógica:
Provas
Um motor de indução trifásico de 5 CV tem corrente nominal de 14 A e fator de serviço FS = 1,15. Para a construção de uma chave de partida direta para esse motor, deve-se empregar um contator com as seguintes características:
Provas
O circuito apresentado na figura a seguir representa uma fonte de alimentação com regulador linear da família 78XX.

Considerando o consumo do regulador desprezível e a carga correspondente a um resistor de !$ 10 \Omega !$, o maior valor permitido de VEntrada para que a potência dissipada pelo regulador seja igual a 4 W é de
Provas
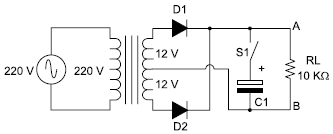
Considere o diagrama da fonte de alimentação mostrada na figura a seguir. O capacitor eletrolítico tem valor igual a 10000 uF, e os diodos de silício D1 e D2 são ideais.

Os valores médios da tensão entre A e B, sobre o resistor de carga RL, com a chave S1 aberta e fechada são, respectivamente:
Provas
Um circuito monofásico de corrente alternada, contendo elementos indutivos entre seus elementos, opera com uma tensão de 220 V, 60 Hz, e medições indicam que a potência aparente desse circuito é de 9 600 VA e a potência ativa desse circuito é de 7 680 W. Nessas condições, a potência reativa desse circuito é de:
Provas
O circuito da figura a seguir mostra um sistema de medição de potência em que a corrente é amostrada por um transformador de corrente com relação de 100:5 A e a tensão é amostrada por um transformador de potencial com relação 250:50 V.

Sabendo-se que o fundo de escala do Wattímetro indica 250 W quando a corrente de medição é de 5 A e a tensão de medição é de 50 V, a potência indicada pelo Wattímetro para a situação apontada no circuito será de
Provas
A medição de valores muito reduzidos de resistência ôhmica faz uso de um circuito em ponte de Wheatstone. No circuito mostrado na figura a seguir, para que a ponte esteja em equilíbrio, o valor do resistor RTeste, na configuração apresentada, é de

Provas
Observe a figura a seguir.

O circuito de corrente alternada mostrado apresenta Fator de Potência igual a
Provas
Caderno Container