Foram encontradas 60 questões.
As orações que compõem o período: “Disciplina é liberdade; compaixão é fortaleza; ter bondade é ter coragem.” são
Provas
Questão presente nas seguintes provas
Determinada escala de temperatura foi concebida de forma a que o ponto de congelamento da água correspondesse ao valor zero, e o ponto de ebulição correspondesse ao valor 100, observados a uma pressão atmosférica padrão. Qual alternativa indica esta escala?
Provas
Questão presente nas seguintes provas
- Topologias de RedeTopologia: Anel
- Topologias de RedeTopologia: Estrela
- Topologias de RedeTopologia: Ponto a Ponto
Uma rede de computadores consiste de dois ou mais computadores e outros dispositivos ligados entre si com o objetivo de compartilhar dados. Dadas as seguintes afirmativas sobre topologias, meios físicos e equipamentos de redes,
I. Na topologia em estrela, cada nó é interligado a um nó central, através do qual todas as mensagens devem passar.
II. Em geral, na topologia em anel, as ligações ponto a ponto operam num único sentido.
III. O cabo coaxial é utilizado para ligação de redes Token Ring a um concentrador.
IV. Os equipamentos de rede que podem estar localizados dentro de um mesmo domínio de broadcast de endereços MAC são roteador e firewall.
verifica-se que está(ão) correta(s)
Provas
Questão presente nas seguintes provas
O gráfico abaixo apresenta as despesas de uma família nos primeiros cinco meses do corrente ano.

Assinale a alternativa correta quanto as informações apresentadas no gráfico.
Provas
Questão presente nas seguintes provas
A questão a seguir refere-se à tirinha abaixo.

Disponível em: <http//disciclopedia.org/wiki/Recruta_Zero>. Acesso em: 1 maio 2014.
No primeiro quadro da tirinha, na fala do recruta Zero, há um problema de adequação à norma padrão. A reescrita, de acordo com a tradição gramatical, é:
Provas
Questão presente nas seguintes provas
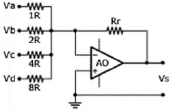
Para o circuito abaixo,

são apresentadas as seguintes afirmativas:
I. trata-se de um circuito somador não inversor de tensão;
II. o circuito pode ser utilizado como base para um conversor D/A;
III. considerando-se Va e Vd iguais a Vcc, e Vb e Vc iguais a 0V, a tensão de saída é dada por Vs = – 9.Vcc.Rr / 8R.
Dos itens acima, verifica-se que está(ão) correto(s)
Provas
Questão presente nas seguintes provas
A questão a seguir refere-se ao texto abaixo.
Com o Sol
Essa que amo mora num sobrado
e o sol, que a quer também, para-se em frente
e até que o sol se canse e, enfim, se ausente;
a janela é deserta, e eu, desolado.
Marcelo Gama (adaptado).
Os “quês” destacados no poema exercem, respectivamente, as funções de
Provas
Questão presente nas seguintes provas
A questão 16 refere-se ao texto abaixo.
O Leão e o Rato
Um Leão dormia sossegado, quando foi acordado por um Rato, que passava correndo em cima de seu rosto. Com um ataque ágil ele o agarrou, e estava pronto para matá-lo, ao que o Rato implorou: Por favor, se o senhor me soltar, tenho certeza que um dia poderia retribuir sua bondade. Rindo por achar ridícula a ideia, assim mesmo, ele resolveu soltá-lo. Pouco tempo depois, o Leão caiu numa armadilha colocada por caçadores. Preso ao chão, amarrado por fortes cordas, sequer podia mexer-se. O Rato, ouvindo seu rugido, aproximou-se e roeu as cordas até deixá-lo livre. Então disse: O senhor riu da ideia de que eu jamais seria capaz de ajudá-lo. Nunca esperava receber de mim qualquer favor em troca do seu! Mas agora sabe que mesmo um pequeno Rato é capaz de retribuir um favor a um poderoso Leão.
Moral da História - Os pequenos amigos podem se revelar os melhores e mais leais.
Baseada na obra de Esopo - Fabulista grego do século VI.a.C. -
http://www.clickatualidade.com.br.
De acordo com a gramática da língua portuguesa, quando anteposto ao substantivo, o adjetivo favorece uma predicação em que se ressaltam valores afetivos ou psicológicos. Diante desse princípio semântico, o significado para a expressão “pequenos amigos”, contida na Moral da História, é:
Provas
Questão presente nas seguintes provas
A questão a seguir refere-se à estrofe abaixo.
Negras mulheres, suspendendo às tetas
Magras crianças, cujas bocas pretas
Rega o sangue das mães:
Outras, moças... mas nuas, espantadas,
No turbilhão de espectros arrastadas,
Em ânsia e mágoa vãs.
ALVES, Castro. Os escravos. In: Obra Completa. Rio de Janeiro: Nova Aguilar, 1986.
Se fosse retirado o acento grave de “às tetas”, essa expressão exerceria a função sintática de
Provas
Questão presente nas seguintes provas
As figuras abaixo representam um voltímetro e um amperímetro de painel.

Os instrumentos indicam, respectivamente,
Provas
Questão presente nas seguintes provas
Cadernos
Caderno Container