Foram encontradas 60 questões.
Uma tubulação circular de aço carbono usada para transportar gás natural tem 0,2 m de diâmetro e circula um fluido com velocidade média igual a 20 m/s. Sabendo-se que a densidade desse fluido é 800 kg/m³ e sua viscosidade é igual a 8.10-2 N.s/m², assinale a alternativa que indica o Número de Reynolds para esse escoamento.
Provas
Questão presente nas seguintes provas
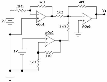
Considere o circuito abaixo, onde os amplificadores operacionais são ideais, operando em regiões lineares e alimentados por fontes simétricas,

A tensão de saída, Vs, equivale a
Provas
Questão presente nas seguintes provas
A questão a seguir refere-se ao texto abaixo.
Dança da chuva
senhorita chuva
me concede a honra
desta contradança
e vamos sair
por esses campos
ao som desta chuva
que cai sobre o teclado
Paulo Leminski – Toda Poesia. 2013.
O termo “chuva”, sublinhado, utilizado pelo poeta no primeiro e sexto versos, é polissêmico porque
Provas
Questão presente nas seguintes provas
A questão a seguir refere-se à tirinha abaixo.

Disponível em: <http://www.pinterest.com/pin/>. Acesso em: 15 maio 2014.
Considerando-se o enunciado do 1º balão com a conjunção “se” no lugar de “a menos que”, o efeito de sentido seria alterado de “esperança” para indicar
Provas
Questão presente nas seguintes provas
Num tanque de armazenagem de gás natural existem 200 kg de gás cuja composição foi analisada e apresentou a percentagem em peso de metano de 90%. Qual alternativa abaixo indica a quantidade de massa de metano?
Provas
Questão presente nas seguintes provas
Dados os itens abaixo, que caracterizam um processo corrosivo muito frequente na natureza,
I. Realiza-se necessariamente na presença de água líquida.
II. Realiza-se em temperaturas abaixo do ponto de orvalho, sendo a grande maioria na temperatura ambiente.
III. Realiza-se devido à formação de pilhas de corrosão.
qual é o processo corrosivo?
Provas
Questão presente nas seguintes provas
Uma concessionária fornecedora de gás natural residencial cobra uma parcela fixa de R$ 4,00 que deve ser adicionada a parcela variável de R$ 2,50/m³, inclusos os impostos. Além dos impostos e outros custos, o poder calorífico do gás natural é considerado na composição da parcela variável. Qual alternativa abaixo indica a conta mensal de uma residência que consome 20 m3 de gás natural por mês?
Provas
Questão presente nas seguintes provas
Dois sinais elétricos, no formato de pulsos limitados no tempo, são representados, nas figuras abaixo, com a transformada de Fourier de s(t), na forma polar, dada pela expressão S(ω)=|S(ω)|ejφ(ω).

Considerando as propriedades da transformada de Fourier e as semelhanças e simetrias entre os dois pulsos, a expressão da transformada de Fourier de z(t) é
Provas
Questão presente nas seguintes provas
2485491
Ano: 2014
Disciplina: TI - Organização e Arquitetura dos Computadores
Banca: UFAL
Orgão: ALGÁS
Disciplina: TI - Organização e Arquitetura dos Computadores
Banca: UFAL
Orgão: ALGÁS
Provas:
Um sistema microprocessador básico é mostrado no diagrama de blocos a seguir.

As unidades identificadas pelos números 1, 2, 3, 4 e 5 são devidamente representadas, respectivamente, por
Provas
Questão presente nas seguintes provas
De uma estação de gás natural veicular, numa tubulação construída em polipropileno, circula uma vazão de 8.500 m³/h. Sabe-se que nessas condições a massa específica do referido gás é igual a 0,84 kg/m³. Caso ocorra variação na temperatura do gás e a densidade se eleve para 0,85 kg/m³, qual alternativa abaixo indica a vazão mássica através da tubulação nessa nova condição?
Provas
Questão presente nas seguintes provas
Cadernos
Caderno Container