Foram encontradas 50 questões.
- Instalações ElétricasSubestaçõesCustos, diagramas unifilares básicos, tipos de barramentos, sistemas auxiliares
Uma instalação elétrica predial de baixa tensão apresentou defeitos em alguns de seus circuitos terminais. Após a medição de tensão em alguns pontos dessa instalação, foram anotados os seguintes valores:

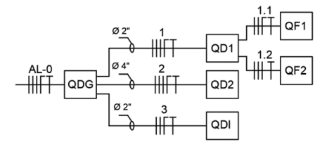
O diagrama unifilar da instalação é mostrado na figura a seguir:

O defeito apresentado na instalação é:
Provas
- EscritórioMicrosoft OfficeExcelVersões do ExcelExcel 365
- EscritórioMicrosoft OfficeExcelFórmulas e Funções do Excel
Analise a seguinte planilha, feita no MS-Excel 365, em sua configuração-padrão.

Para que na célula C8 conste, como mostra a imagem, a média dos gastos de custeio ao longo dos três meses, a fórmula que deve ser usada é:
Provas
Leia o texto a seguir para responder às questões de números 10 a 16.
O papel mais difícil na família
O amor de madrasta e de padrasto é um amor elevado, um amor puramente desinteressado. Eles não têm o benefício da relação automática, do laço do sangue, precisam construir com o enteado uma amizade do zero, em que o conselho depende da doçura e da pontualidade para não agredir e não soar como censura.
São corajosos, pois alimentam uma relação desprovida de garantia e estabilidade. Enfrentam os rótulos e o preconceito por ocupar, no imaginário da infância, o lugar natural da mãe ou do pai. Provam o seu valor e adquirem credibilidade pouco a pouco. Só a constância da lealdade é que consolidará a influência.
Demonstram, na prática, que não vieram substituir ninguém, mas somar amizades e pontos de vista. Surpreendem com uma ternura desobrigada, uma atenção gratuita, uma dedicação sem a recompensa de abraços e beijos fáceis.
Talvez não recebam cartãozinho no Dia das Mães e dos Pais, talvez não sejam chamados para as festas da escola, talvez não estejam representados nos desenhos infantis, talvez tenham que superar a carência e entender que as vitórias são secretas e parciais. Andam no trapézio das emoções, evitando sofrer a desqualificação em qualquer embate: “Você não é meu pai”, “Você não é minha mãe”.
Não podem despertar a inveja e a concorrência sendo bons demais, nem a preocupação sendo indiferentes. Não podem dar bronca no momento de raiva nem devem ser tolerantes em excesso na alegria. Armados na paciência, amando a paciência, jamais invadem a privacidade, ficam na porta esperando um convite para entrar na sensibilidade dos pequenos.
Não há papel mais difícil dentro de casa. Encarnam o equilíbrio. Medirão as palavras e o tamanho do silêncio. Vão se apaixonar por uma pessoa que possivelmente não será para sempre. Mas o amor é para sempre quando o coração se mostra um duradouro ventre.
(Fabrício Carpinejar. Jornal Zero Hora. 24.07.2018. Adaptado)
Em – Surpreendem com uma ternura desobrigada, uma atenção gratuita... – (3ºparágrafo), a palavra destacada pertence à mesma classe gramatical daquela destacada em:
Provas
Leia a tira a seguir para responder às questões de números 01 a 03.

(Fernando Gonsales. Níquel Náusea. Folha de S.Paulo. 20.04.2024)
De acordo com a norma-padrão de emprego das formas verbais, se a frase do 2º quadro fosse “Caso o cachorro dormisse com você, não _________ anti-higiênico?”, a lacuna seria corretamente preenchida por:
Provas
- Interpretação de TextosSubstituição/Reescritura de TextoReorganização e Reescrita de Orações e Períodos
Leia a tira a seguir para responder às questões de números 01 a 03.

(Fernando Gonsales. Níquel Náusea. Folha de S.Paulo. 20.04.2024)
A frase – Não falei com você! – (3º quadro) pode ser reescrita, em conformidade com a norma-padrão de regência, como:
Provas
Leia a tira a seguir para responder às questões de números 01 a 03.

(Fernando Gonsales. Níquel Náusea. Folha de S.Paulo. 20.04.2024)
É correto afirmar que o humor da tira decorre, sobretudo, do fato de que
Provas
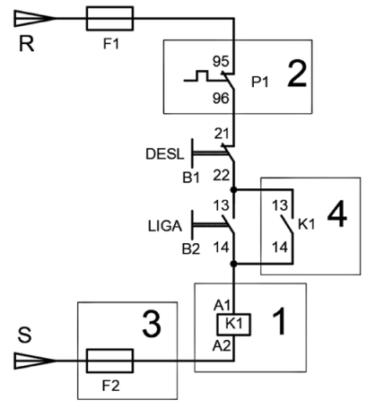
Considere o esquema elétrico de um circuito de comando mostrado na figura a seguir.

O relé de sobrecarga, o fusível de comando e o contato NA de K1 estão representados no esquema, respectivamente, por:
Provas
Conforme a Norma ABNT NBR 5410, o máximo valor percentual de queda de tensão permitido em qualquer ponto de utilização dessa instalação, calculado a partir dos terminais secundários do transformador de Média Tensão/Baixa Tensão de propriedade da unidade consumidora, é de:
Provas
De acordo com a NR10, o trabalhador previamente qualificado e com registro no competente conselho de classe é considerado um
Provas
Durante a manutenção de um motor elétrico, verificou-se que ocorreram contatos mecânicos entre a superfície externa do rotor e a superfície interna do núcleo do estator.
A provável causa desse defeito é:
Provas
Caderno Container