Foram encontradas 50 questões.


Provas
Questão presente nas seguintes provas


Provas
Questão presente nas seguintes provas


Provas
Questão presente nas seguintes provas


Assinale o termo que, no período acima, desempenhe função sintática idêntica à do termo sublinhado no mesmo período.
Provas
Questão presente nas seguintes provas


Em relação ao trecho acima, analise as afirmativas a seguir:
I. O pronome esses tem valor anafórico.
II. No lugar de 2.500 anos atrás, é recomendado que se escreva "há 2.500 anos atrás".
III. Os dois-pontos têm a mesma função que a desempenhada no primeiro parágrafo.
IV. A palavra assim poderia vir entre vírgulas.
Assinale
Provas
Questão presente nas seguintes provas
Nesse país, ocorrem em abril de 2010 - em meio a um cenário que opõe o presidente Omar al-Bashir e o líder do sul, Silva Kiir -, as primeiras eleições pluripartidárias em 25 anos. Trata-se do(a)
Provas
Questão presente nas seguintes provas
Em 12 de abril de 2010, segundo notícia do site do jornal O Globo, "por meio de denúncias anônimas, (...) *foi feita+ mais uma grande apreensão na tarde do último sábado. Foram recolhidas 76 aves silvestres. Entre elas um papagaio e uma arara vermelha grande, espécie ameaçada de extinção. Os policiais também encontraram dois macacos-pregos e um lagarto tejuassu. Os animais estavam em péssimas condições. Sem água e comida, eles foram encontrados enjaulados em sítios localizados na Praia de Punaú, no município de Rio do Fogo e nos distritos de Riacho da Goiabeira e Sítio Manguabeira em Ceará-Mirim." Com base na competência para atuar nessa apreensão, é correto afirmar que ela foi feita pela
Provas
Questão presente nas seguintes provas
Observe a figura a seguir, que mostra uma tela do Excel 2003 em português.

A planilha mostra a relação de funcionários do departamento comercial de uma empresa de consultoria. Com base na planilha e no Excel 2003 em português, qual das opções apresenta o resultado da fórmula =INT(FRAÇÃOANO(DATA(2010;12;31); PROCV(A6;A2:E7;5; FALSO))), que será colocada na célula A9?

A planilha mostra a relação de funcionários do departamento comercial de uma empresa de consultoria. Com base na planilha e no Excel 2003 em português, qual das opções apresenta o resultado da fórmula =INT(FRAÇÃOANO(DATA(2010;12;31); PROCV(A6;A2:E7;5; FALSO))), que será colocada na célula A9?
Provas
Questão presente nas seguintes provas
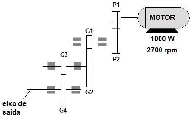
O sistema de transmissão a seguir é composto de motor, polias, correia e engrenagens. As polias P1 e P2 possuem diâmetros de 80mm e 240mm, respectivamente. A engrenagem G1 possui 10 dentes, a engrenagem G2 possui 30 dentes, a engrenagem G3 possui 15 dentes e a engrenagem G4 possui 30 dentes. Devido às perdas nas transmissões por correia, engrenagens e mancais, o rendimento total do sistema vale 75%.

Sabendo que a potência do motor é de 1000 W e gira a 2700 rpm, o torque no eixo de saída é

Sabendo que a potência do motor é de 1000 W e gira a 2700 rpm, o torque no eixo de saída é
Provas
Questão presente nas seguintes provas
- Manual de Redação da Presidência da RepúblicaAs Comunicações OficiaisPadrão OfícioPartes do documento no Padrão Ofício
- Manual de Redação da Presidência da RepúblicaAs Comunicações OficiaisPadrão OfícioO Padrão Ofício
As questões 9 e 10 referem-se ao Manual de Redação da Presidência da República.
Observe o trecho de um documento, abaixo reproduzido:
Com base no Manual de Redação da Presidência da República, é correto afirmar que se trata de
Provas
Questão presente nas seguintes provas
Cadernos
Caderno Container