Foram encontradas 1.182 questões.
A respeito de paquímetros analógicos, assinale a opção correta.
Provas
Assinale a opção que corresponde à classe de materiais com elevados valores de permeabilidade e baixos valores de coercividade em transformadores.
Provas

O circuito elétrico na figura precedente é alimentado em corrente contínua por uma bateria de 4,5 V (E) e apresenta quatro lâmpadas iguais (L1 a L4) e um relé interruptor (RI). Cada lâmpada tem resistência elétrica de 4 Ω e o relé interruptor tem resistência elétrica de 1 Ω.
A partir das informações da situação hipotética apresentada, assinale a opção que corresponde ao valor da corrente elétrica (I) no circuito.
Provas
No que se refere ao estudo da eletrostática, julgue os itens subsequentes.
I A lei de Ohm relaciona a tensão elétrica (U) com a intensidade de corrente elétrica (I) e a resistência elétrica (R) por meio da expressão U = I⋅R.
II A lei de Coulomb relaciona a força de atração e repulsão entre corpos eletrizados (F) com as cargas elétricas (Q1 e Q2) e a distância entre elas (d) pela relação F = k Q1 ⋅ Q2 / d , em que k é uma constante.
III A lei de Du Fay estabelece que as cargas elétricas se distribuem apenas na superfície externa dos corpos.
Assinale a opção correta.
Provas
A respeito de plásticos termofixos, é correto afirmar que
I eles apresentam longas cadeias de átomos, compostas pelo elemento químico carbono.
II eles apresentam cadeias carbônicas interligadas por ligações covalentes.
III o epóxi e o poliestireno são exemplos dessa classe de materiais plásticos.
IV o processamento desses materiais é geralmente feito a partir de resinas, nas quais se mistura um catalisador ou um agente de cura.
Assinale a opção correta.
Provas
A respeito de metais não ferrosos, assinale a opção correta.
Provas
Acerca do processamento do minério de ferro nas usinas siderúrgicas, julgue os itens subsequentes.
I O alto-forno apresenta um sistema de aquecimento com resistências elétricas para a fusão dos materiais adicionados no seu interior.
II O processamento de minério de ferro, misturado com carvão e calcário, é feito no alto-forno para a obtenção do ferro gusa.
III O processamento de ferro gusa em aço é feito no próprio alto forno, com a retirada de carbono por meio de sopro de ar para obtenção de aço.
Assinale a opção correta.
Provas
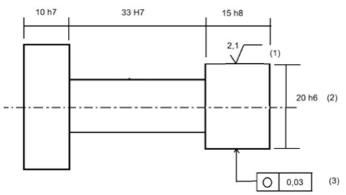
Considerando o desenho de peças de uma máquina de grandes dimensões e a importância da cotagem no projeto de peças mecânicas, julgue os próximos itens.
I A escala indicada deve ser de ampliação, como 20:1.
II A escala indicada implica que as dimensões reais da peça fabricada devem ser obtidas pela divisão ou multiplicação do valor da cota pelo valor da redução ou da ampliação aplicada.
III As cotas de tamanho devem ser aplicadas para definir as dimensões da peça a ser fabricada.
Com base na situação hipotética precedente, assinale a opção correta.
Provas
Conhecida como CAD, a tecnologia de desenho assistido por computador
I pode ser implementada por meio de programas computacionais como AutoCAD, Catia e Rhinoceros.
II dispensa o emprego da prancheta para a execução de desenhos técnicos.
III deve ser usada em conjunto com as réguas flexíveis splines para a modelagem de cascos de navios.
IV é apropriada para gerar curvas e superfícies de formas livres.
Assinale a opção correta.
Provas

Com base na figura precedente, que mostra as indicações de controle de acabamento inseridas no projeto de peça de uma máquina, assinale a opção que relaciona corretamente a simbologia indicada pelos números (1), (2) e (3) com a respectiva tolerância.
Provas
Caderno Container