Magna Concursos

Foram encontradas 1.182 questões.

3726011 Ano: 2025
Disciplina: Eletroeletrônica
Banca: CESPE / CEBRASPE
Orgão: CAESB
Enunciado 4485677-1

O dispositivo na figura precedente, utilizado no circuito de acionamento de motores, é um
 

Provas

Questão presente nas seguintes provas
3726010 Ano: 2025
Disciplina: Engenharia Elétrica
Banca: CESPE / CEBRASPE
Orgão: CAESB
No que se refere a disjuntores, assinale a opção correta.
 

Provas

Questão presente nas seguintes provas
3726009 Ano: 2025
Disciplina: Eletroeletrônica
Banca: CESPE / CEBRASPE
Orgão: CAESB
Para dois cabos de cobre de mesmo comprimento, um com seção de 2,5 mm2 e resistência elétrica RA, e outro com seção de 10 mm2 e resistência elétrica RB, é correto afirmar que
 

Provas

Questão presente nas seguintes provas
3726008 Ano: 2025
Disciplina: Eletroeletrônica
Banca: CESPE / CEBRASPE
Orgão: CAESB
Enunciado 4485674-1

O esquema de aterramento apresentado na figura precedente é do tipo
 

Provas

Questão presente nas seguintes provas
3726007 Ano: 2025
Disciplina: Eletroeletrônica
Banca: CESPE / CEBRASPE
Orgão: CAESB
Enunciado 4485673-1

Os símbolos precedentes, identificados pelos números I e II, representam, respectivamente,
 

Provas

Questão presente nas seguintes provas
3726006 Ano: 2025
Disciplina: Eletroeletrônica
Banca: CESPE / CEBRASPE
Orgão: CAESB
No que se refere aos sistemas de geração e distribuição de energia elétrica, assinale a opção correta.
 

Provas

Questão presente nas seguintes provas
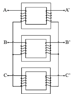
3726005 Ano: 2025
Disciplina: Eletroeletrônica
Banca: CESPE / CEBRASPE
Orgão: CAESB
Enunciado 4485671-1

Considerando que, no banco de transformadores trifásicos na figura precedente, os transformadores sejam idênticos e ideais, com potência de SNOM em cada um deles, assinale a opção correta.
 

Provas

Questão presente nas seguintes provas
3726004 Ano: 2025
Disciplina: Eletroeletrônica
Banca: CESPE / CEBRASPE
Orgão: CAESB
Para a proteção de um equipamento elétrico com potência de 3.960 W e ligado em uma rede elétrica de 220 V, é correto o uso de um disjuntor de
 

Provas

Questão presente nas seguintes provas
3726003 Ano: 2025
Disciplina: Eletroeletrônica
Banca: CESPE / CEBRASPE
Orgão: CAESB
A respeito das formas de partida de um motor de indução trifásico, assinale a opção correta.
 

Provas

Questão presente nas seguintes provas
3726002 Ano: 2025
Disciplina: Eletroeletrônica
Banca: CESPE / CEBRASPE
Orgão: CAESB
Enunciado 4485668-1

No circuito elétrico precedente, os equipamentos identificados pelos números 1 e 2 permitem medir grandezas elétricas cujas unidades são, respectivamente,
 

Provas

Questão presente nas seguintes provas