Foram encontradas 996 questões.
Assinale a opção correta acerca dos conversores CC-CC.
Provas
Questão presente nas seguintes provas
O projeto de um circuito digital realiza a seguinte função booleana.
\( S = \overline{A}BD + \overline {ABCD} + ABD + \overline {AB} C \overline{D} + A \overline{BD} \)
Nessa situação hipotética, a função lógica mínima para a referida função é
Provas
Questão presente nas seguintes provas

No circuito retificador hipotético acima, usado para transformar a tensão de rede elétrica de 220 VRMS e 60 Hz em uma tensão aproximadamente constante, o transformador faz a redução da tensão da rede por uma razão 18:1; o capacitor tem uma capacitância de 500 μF e a carga RL tem a resistência de 120 Ω.
Com referência ao circuito hipotético em apreço, assinale a opção correta.
Provas
Questão presente nas seguintes provas

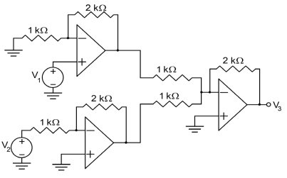
No circuito hipotético esquematizado acima, considerando que todos os componentes sejam ideais, a expressão para a tensão de saída, v3(t), será dada por
Provas
Questão presente nas seguintes provas

O circuito acima ilustra um amplificador a transistor, utilizando a configuração denominada “coletor comum”. Os capacitores contidos nesse circuito funcionam como curto-circuito nas frequências relevantes dos sinais a serem amplificados, e os componentes são escolhidos, dimensionados e conectados de forma que fazem que o transistor opere de forma correta, na região ativa, e de forma que o amplificador funcione de forma efetiva como um amplificador em “coletor comum”.
Em relação a esse circuito hipotético, assinale a opção correta.
Provas
Questão presente nas seguintes provas
Duas cargas pontuais, q1 e q2, cada uma com carga
positiva de 1,0 ×10-6 C, estão fixas no espaço em um plano xy. A
carga q1 está na posição (0,0) e a carga q2 está na posição (4,0),
ambas expressas em metros.
Nessa situação hipotética, considerando a constante de Coulomb como sendo kc = 9×109 N.m2/C2, é correto afirmar que a intensidade do campo elétrico resultante no ponto (2,0), devido às duas cargas, é igual a
Nessa situação hipotética, considerando a constante de Coulomb como sendo kc = 9×109 N.m2/C2, é correto afirmar que a intensidade do campo elétrico resultante no ponto (2,0), devido às duas cargas, é igual a
Provas
Questão presente nas seguintes provas

O esquema acima apresenta um circuito passivo hipotético que é excitado por um sinal de entrada genérico, ve(t). Em relação a esse circuito, assinale a opção correta.
Provas
Questão presente nas seguintes provas

No circuito acima, V1 é uma fonte de tensão contínua e igual a 10 V; I1 é uma fonte de corrente contínua e igual a 1 mA; R1 = R2 = R3 são todas iguais a 1 kΩ e a tensão Vx, no nó central superior, é uma tensão a ser determinada.
Nessa situação hipotética, a tensão VX será igual a
Provas
Questão presente nas seguintes provas
As unidades que podem compor um sistema convencional de esgotamento sanitário são as canalizações, entre as quais os coletores e interceptores; os emissários e as estações elevatórias. Acerca desses componentes, assinale a opção correta.
Provas
Questão presente nas seguintes provas
Acerca da hidráulica em sistemas de esgotos, julgue os itens a seguir.
I A capacidade das tubulações em conduzir vazões máximas e mínimas, o tipo do regime de escoamento e a velocidade máxima do esgoto são requisitos hidráulicos e sanitários a serem observados no dimensionamento dos sistemas de esgotamento sanitário.
II A utilização de redes duplas para a coleta de esgotos se dá em razão do tráfego intenso das vias, sendo necessário haver uma largura entre os alinhamentos dos lotes maior ou igual a 14 m para ruas asfaltadas e 18 m para ruas com piso de terra.
III Em redes pressurizadas, a tubulação principal sob pressão vai para coletor por gravidade ou para a estação de tratamento de esgoto, eliminando a necessidade de pequenas elevatórias.
Assinale a opção correta.
I A capacidade das tubulações em conduzir vazões máximas e mínimas, o tipo do regime de escoamento e a velocidade máxima do esgoto são requisitos hidráulicos e sanitários a serem observados no dimensionamento dos sistemas de esgotamento sanitário.
II A utilização de redes duplas para a coleta de esgotos se dá em razão do tráfego intenso das vias, sendo necessário haver uma largura entre os alinhamentos dos lotes maior ou igual a 14 m para ruas asfaltadas e 18 m para ruas com piso de terra.
III Em redes pressurizadas, a tubulação principal sob pressão vai para coletor por gravidade ou para a estação de tratamento de esgoto, eliminando a necessidade de pequenas elevatórias.
Assinale a opção correta.
Provas
Questão presente nas seguintes provas
Cadernos
Caderno Container