Foram encontradas 50 questões.
Ao realizar uma medição de resistência elétrica com um multímetro é necessário observar alguns procedimentos.
Neste caso, assinale a alternativa que apresenta CORRETAMENTE um desses procedimentos.
Provas
Ao realizar uma medição de corrente elétrica com um multímetro é necessário observar alguns procedimentos.
Neste caso, assinale a alternativa que apresenta CORRETAMENTE um desses procedimentos.
Provas
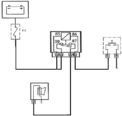
Considere o esquema elétrico a seguir:

Considerando o esquema elétrico, assinale a alternativa que pode ser associada CORRETAMENTE a um defeito real.
Provas
Sobre as fórmulas de potência elétrica, assinale a alternativa INCORRETA:
Provas
Considere o esquema elétrico a seguir:

Sobre o esquema elétrico, é CORRETO afirmar que:
Provas
É CORRETO afirmar que os elementos básicos de um circuito elétrico são:
Provas
Uma rede de comunicação do tipo CAN BUS possui 5 unidades de controle, sendo que 4 tem uma resistência entre os fios da rede de 2.6k!$ Ω !$ e uma com resistência de 66!$ Ω !$.
Dessa forma, é CORRETO afirmar que o valor de resistência terminal da rede é de:
Provas
Assinale a alternativa que descreve CORRETAMENTE a composição básica de uma rede bordo.
Provas
Um automóvel apresenta o seguinte defeito no sistema de ar-condicionado: A polia magnética do compressor não é acionada quando o condutor aciona o interruptor de comando, e um técnico iniciou o diagnóstico verificando o circuito do relé.
De acordo com esse procedimento, é CORRETO afirmar que:
Provas
Em veículos com sistema de partida automática o comando de partida apenas informa para uma unidade de controle o desejo de partida do motorista, que só será atendido se algumas condições estiverem satisfeitas.
Nesse contexto, NÃO é um requisito verificado pela unidade de controle para a realização da partida automática.
Provas
Caderno Container