Foram encontradas 50 questões.
Ao acionar a partida de um carro, o condutor percebeu que o motor a combustão não entrava em funcionamento, como também não havia nenhum tipo de ruído do motor de partida.
Nesse caso, assinale a alternativa que apresenta uma justificativa CORRETA para esse comportamento.
Provas
Um veículo está apresentando dificuldade para carregar as baterias, mesmo quando permanece em funcionamento por trajetos longos.
Assinale a alternativa que NÃO apresenta uma possível causa para esse defeito.
Provas
Ao medir a tensão das baterias de um veículo com o motor em funcionamento, o valor encontrado chegou até 15,2V.
Dessa forma, é CORRETO afirmar que:
Provas
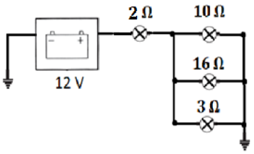
Considere o circuito elétrico a seguir:

É CORRETO afirmar que a potência no circuito é de:
Provas
Em um circuito elétrico de um automóvel estão ligados em paralelo a lâmpada do porta-luvas, a lâmpada do teto e o comando do retrovisor elétrico, contudo todos são protegidos pelo mesmo fusível.
Nesse caso, é CORRETO afirmar que o tipo de circuito é o:
Provas
Ao realizar uma medição de tensão elétrica com um multímetro é necessário observar alguns procedimentos.
Neste contexto, assinale a alternativa que apresenta CORRETAMENTE um desses procedimentos.
Provas
Os direitos humanos têm como uma de suas características o fato de que o seu não exercício por determinado lapso temporal não implicará a perda de sua titularidade ou a impossibilidade de seu exercício posterior.
Por esse motivo, é CORRETO afirmar que os direitos fundamentais são:
Provas
Acerca do Estatuto da Criança e do Adolescente, é INCORRETO afirmar que:
Provas
A Constituição da República Federativa do Brasil assegura um conjunto amplo de direitos e garantias fundamentais ao indivíduo.
Acerca dos direitos e garantias fundamentais assegurados pelo texto constitucional brasileiro, é INCORRETO afirmar que:
Provas
Acerca dos direitos e garantias fundamentais asseguradas pela Constituição da República Federativa do Brasil, é CORRETO afirmar que:
Provas
Caderno Container