Foram encontradas 646 questões.
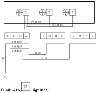
A figura abaixo representa as ramificações da caixa principal semidirecionada em um projeto de rede primária em edifícios residenciais:

Provas
Tendo como base os conceitos de sinalização telefônica, podemos afirmar que:
I - A central telefônica é responsável pela alimentação dos terminais telefônicos através de uma tensão contínua de -48V. Quando o telefone está com o fone no gancho, o circuito entre a central e o terminal é mantido aberto, não circulando corrente.
II - São alguns exemplos de sinalização acústica: Tom de Discar, Tom de Ocupado, Tom de Controle de Chamada.
III - O Tom de Discar em centrais privadas – PABX é um sinal diferente do Tom de Discar em centrais em centrais públicas.
Assinale a alternativa correta:
Provas
Provas
Provas
Provas
Provas
Provas
Provas
Provas
Provas
Caderno Container