Foram encontradas 60 questões.

No circuito da figura acima, os instrumentos de medição são ideais. A medição lida no wattímetro é 8,0 kW, enquanto que as medições lidas no amperímetro e no voltímetro são 40 A e 250 V, respectivamente.
De acordo com essas informações, o valor, em kVAr, da potência reativa fornecida à carga é
Provas
Questão presente nas seguintes provas
Um empreendedor tomou emprestado um determinado valor para iniciar um pequeno negócio. O empréstimo deveria ser pago em prestações mensais e iguais. Na data da antepenúltima prestação, o empreendedor resolveu quitar a dívida, pagando as três parcelas restantes de uma só vez.
Sabendo-se que o valor de cada parcela é de R$ 100,00 e que a taxa contratada é de 10 % ao mês, o valor, em reais, da liquidação das prestações foi de
Sabendo-se que o valor de cada parcela é de R$ 100,00 e que a taxa contratada é de 10 % ao mês, o valor, em reais, da liquidação das prestações foi de
Provas
Questão presente nas seguintes provas
Após o levantamento de cargas de uma instalação que será alimentada por um Grupo Gerador (GG), chegou- -se à potência de 350 kVA com fator de potência de 0,8.
Na instalação, existe um GG de 400 kVA com rendimento de 0,9.
A potência mínima de acionamento do gerador, em kW, considerando a carga nominal, é de
Na instalação, existe um GG de 400 kVA com rendimento de 0,9.
A potência mínima de acionamento do gerador, em kW, considerando a carga nominal, é de
Provas
Questão presente nas seguintes provas
O sistema de aterramento de um equipamento é composto por apenas uma haste cilíndrica vertical encravada totalmente no solo, cuja resistividade aparente é de 50 π Ω.m.
Se o comprimento da haste é de 2,0 m e seu diâmetro é de 2,0 cm, o valor, em ohm, da resistência de aterramento do sistema é Dados:
Ln(2) = 0,7
Ln(10) = 2,3
Se o comprimento da haste é de 2,0 m e seu diâmetro é de 2,0 cm, o valor, em ohm, da resistência de aterramento do sistema é Dados:
Ln(2) = 0,7
Ln(10) = 2,3
Provas
Questão presente nas seguintes provas

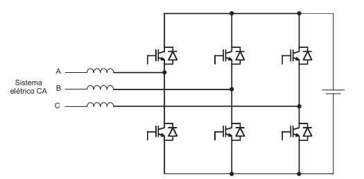
A figura acima mostra um circuito com um inversor trifásico conectado a uma fonte de tensão contínua, sendo seus terminais de saída A, B e C conectados a um sistema elétrico de corrente alternada (Sistema elétrico CA). A esse respeito, considere as afirmativas abaixo.
I - Só pode haver fluxo de potência ativa da fonte de tensão contínua para o sistema elétrico CA.
II - Para que o inversor funcione adequadamente, o valor de pico das tensões no sistema elétrico CA deve ser maior que o valor da tensão da fonte de tensão contínua.
III- O inversor pode fornecer potência não ativa, proveniente de reativos e harmônicos, para o sistema elétrico CA.
Está correto APENAS o que se afirma em
Provas
Questão presente nas seguintes provas
- Instalações ElétricasSubestações
- Proteção de Sistemas ElétricosProteção em Média Tensão
- Sistemas Elétricos de PotênciaDistribuição de Energia Elétrica
Em uma subestação predial em baixa tensão, quando necessário, o elemento destinado a limitar as sobretensões transitórias em linhas de energia é o
Provas
Questão presente nas seguintes provas
O funcionamento adequado dos dispositivos de proteção do tipo diferencial-residual depende diretamente do esquema de aterramento utilizado na instalação elétrica.
Qual esquema de aterramento impossibilita o funcionamento adequado dos dispositivos de proteção do tipo diferencial-residual?
Qual esquema de aterramento impossibilita o funcionamento adequado dos dispositivos de proteção do tipo diferencial-residual?
Provas
Questão presente nas seguintes provas
Considere as afirmativas a seguir referentes a uma Pequena Central Hidrelétrica (PCH).
I - Uma PCH típica normalmente se presta à geração descentralizada, operando a fio d’água.
II - A área total de reservatório não deve ultrapassar 3,0 km2 .
III - A dotação de unidades geradoras tem potência individual de até 15 MW.
É correto APENAS o que se afirma em
I - Uma PCH típica normalmente se presta à geração descentralizada, operando a fio d’água.
II - A área total de reservatório não deve ultrapassar 3,0 km2 .
III - A dotação de unidades geradoras tem potência individual de até 15 MW.
É correto APENAS o que se afirma em
Provas
Questão presente nas seguintes provas
- Transformadores e Máquinas ElétricasMáquinas EstáticasTransformadores Trifásicos e Autotransformadores
Um transformador monofásico de 100 kVA, 1.500/500 V, 60 Hz deve alimentar uma carga de 300 kVA com tensão nominal de 2.000 V. Para tal, realiza-se a conexão do transformador como autotransformador, alimentado pelo lado de alta tensão, que passa a ser o enrolamento comum à fonte de alimentação e à carga. Desconsidere as perdas do transformador.
Qual é a potência aparente transmitida à carga através dos enrolamentos de alta tensão e de baixa tensão e qual é a potência nominal do autotransformador, em kVA?
Qual é a potência aparente transmitida à carga através dos enrolamentos de alta tensão e de baixa tensão e qual é a potência nominal do autotransformador, em kVA?
Provas
Questão presente nas seguintes provas
Em uma instalação industrial, foi conectado um banco de capacitores com potência de 13,75 kVAr para compensação do fator de potência. Nessa situação, o fator de
potência é de 0,96.
Sendo a potência ativa total da instalação igual a 30 kW, qual era o fator de potência da instalação antes da conexão do banco de capacitores?
potência é de 0,96.
Sendo a potência ativa total da instalação igual a 30 kW, qual era o fator de potência da instalação antes da conexão do banco de capacitores?
Provas
Questão presente nas seguintes provas
Cadernos
Caderno Container