Foram encontradas 50 questões.
Na Figura abaixo, um multiplexador é empregado para realizar um circuito lógico combinacional com o objetivo de torná-lo mais compacto.

A função lógica realizada por esse circuito combinacional é:
Provas

Assim, aplicando-se a forma de onda da tensão VS ao circuito, a forma de onda da tensão VO será:
Provas

Considerando-se diodos ideais, qual é o melhor esboço para a forma de onda da tensão VL indicada na Figura acima?
Provas

Variando-se o potenciômetro P para um primeiro ensaio, as medidas obtidas foram de 1 A no amperímetro e de 11,4 V no voltímetro. Num segundo ensaio, as medidas obtidas foram de 5 A no amperímetro e de 9 V no voltímetro.
Em face dos resultados obtidos, o valor da resistência interna da bateria, em ohms, é de
Provas
O circuito elétrico da Figura abaixo mostra a associação de 3 impedâncias complexas, dadas em ohms.

A impedância equivalente, em ohms, entre os pontos 1 e 2 do circuito é
Provas

A função de transferência desse sistema é dada pela expressão:
I(s) / V(s) = 10s / s2 + 103 s + 105
Com base nos valores da função, o valor, em Ω, da resistência R do circuito é de
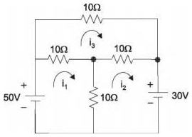
Provas

O resultado da soma i1 + i2 + i3, em ampères, vale
Provas

Os valores, em mA, de I2 em t = 0 e de I1 em regime permanente, respectivamente, são
Provas
Um capacitor de placas circulares paralelas é preenchido com um dielétrico de permissividade \( \varepsilon_0 \)[F/m] e permeabilidade \( \mu_0 \)[H/m]. Considere-se que uma voltagem v(t)=Vocos(\( \omega \)t)[V] é aplicada entre as placas, conforme mostra a Figura abaixo. Dado que o raio a [m] das placas circulares é muito maior que a distância d [m] entre estas (a>>d), a intensidade do campo elétrico, variável no tempo, no interior do capacitor, é essencialmente uniforme.

Considerando-se a simetria circular das placas do capacitor, a expressão da intensidade de campo magnético H [A/m], na região entre as placas, em um raio r (r < a), é:
Provas
Uma espira circular condutora de raio a [m] é colocada em uma região de campo magnético uniforme dado por B = uzBocos(\( \omega \)t) [T], onde uz é o vetor unitário na direção z, \( \omega \) é a frequência angular em rad/s, e t é o tempo em segundos, conforme mostrado na Figura abaixo.

A expressão da força eletromotriz induzida na espira, em volts, é:
Provas
Caderno Container