Foram encontradas 50 questões.
Em uma máquina síncrona, sua tensão e corrente de fase
são, 1pu com uma reatância síncrona de 1,2 pu e tensão interna
1,85pu e fator de potência 0,9. A curva do limite de aquecimento
do campo é dada por um círculo cujo centro tem como coordenada
Q, em pu:
Provas
Questão presente nas seguintes provas
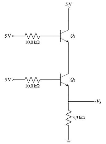
Seja o circuito com transistores bipolares da figura 3.
Figura 3

Assuma que no corte a tensão VCE tende a infinito e que na saturação a tensão VCE tende a zero. O valor da saída VS, para essa condição de polarização, é:
Provas
Questão presente nas seguintes provas
O aumento gradual da tensão eficaz fornecida a um motor,
até chegar em seu valor nominal, é característica da partida:
Provas
Questão presente nas seguintes provas
Em um SEP, ocorre um curto-circuito bifásico sem terra, em
uma barra X. Os elementos de sequência positiva, negativa e
zero da matriz das impedâncias de barra, na posição (X,X), são,
respectivamente, j0,35pu, j0,45pu e j0,2pu e a tensão de falta na
barra X é 1pu. A corrente de falta de sequência negativa, na barra
X, é:
Provas
Questão presente nas seguintes provas
Um transformador de 200kV/10kV e 5MVA apresenta uma
impedância, reportada em sua placa, de 2% + j6%. Em um
sistema onde, no lado de alta, as bases sejam 400kV e 30MVA,
sua impedância é:
Provas
Questão presente nas seguintes provas
Dois indutores estão acoplados magneticamente com fator de
acoplamento 0,5. Se suas indutâncias são 9H e 16H, a indutância
mútua entre eles é:
Provas
Questão presente nas seguintes provas
Em uma máquina elétrica monofásica de corrente alternada,
a onda que produz perdas é denominada:
Provas
Questão presente nas seguintes provas
O tipo de lâmpada que não precisa de nenhum tipo de circuito
de controle, interno ou externo, é:
Provas
Questão presente nas seguintes provas
Sabe-se que em um SEP, na barra 3, estão ligados uma
carga e um transformador. A impedância da carga é j0,5pu e do
transformador é j0,1pu. Sabe-se também que o transformador
tem seu primário ligado em triângulo e seu secundário em estrela
não-aterrada e que a carga está ligada ao secundário. O elemento
(3,3) da matriz das admitâncias de barra de sequência zero é:
Provas
Questão presente nas seguintes provas
Um eletroduto apresenta, em seu interior, dois condutores
referentes a um único circuito.Ataxa máxima de ocupação desses
condutores, em relação à seção transversal desse eletroduto, é
de:
Provas
Questão presente nas seguintes provas
Cadernos
Caderno Container