Foram encontradas 60 questões.
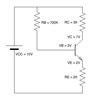
No circuito, as tensões de Base, Coletor e Emissor foram medidas e correspondem, respectivamente a VB=3,0V, VC=7,0V e VE=2,0V. É CORRETO afirmar que as correntes IB, IC e IE são, respectivamente:

Provas
No circuito, considere que o diodo zener possui uma tensão nominal VZ = 5,0V. É CORRETO afirmar que a corrente no zener é:

Provas
A respeito de um circuito retificador de onda completa a diodos, é CORRETO afirmar que:
Provas
No circuito, considere o diodo ideal (Vd=0v) e Vi senoidal com 10Vef/60Hz. É CORRETO afirmar que a corrente de pico no diodo é:

Provas
No circuito, considere que Vd = 1,0V, quando o diodo está polarizado diretamente. É CORRETO afirmar que o valor da corrente ID é:

Provas
Sobre o protocolo de acesso ao meio CSMA e suas variações, assinale a alternativa CORRETA:
Provas
Assinale a opção que NÃO corresponde a um tipo de banco de dados:
Provas
Em sistemas que precisam amostrar sinais utilizando conversores analógicos para digitais, o Teorema de Nyquist, ou Teorema de Nyquist-Shannon, realiza um papel importante. Sabendo disso, assuma que é necessário amostrar um sinal que possui frequência de 150 Hz. Seguindo o Teorema de Nyquist, assinale a opção CORRETA, que apresenta a frequência de amostragem mínima necessária para esse sinal, que deve ser oferecida pelo conversor analógico para digital.
Provas
Em rede de computadores, uma das camadas que realiza um papel fundamental é a camada de rede. Sobre essa camada, assinale a alternativa CORRETA.
Provas
- Modelo OSIModelo OSI: Camada de Transporte
- TCP/IPTCP: Transmission Control Protocol
- TCP/IPUDP: User Datagram Protocol
Em uma rede de computadores, a camada de transporte é responsável por estabelecer uma ligação lógica entre dois processos em execução hosts diferentes. Dois protocolos são amplamente usados na operação da camada de transporte, TCP e UDP. Esses protocolos apresentam características comuns, bem como características diferentes que os fazem ser usados em aplicações diferentes. Diante do exposto, assinale a opção CORRETA em relação à operação e características dos protocolos TCP e UDP.
Provas
Caderno Container