Foram encontradas 60 questões.
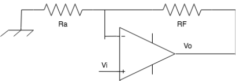
No circuito considere o Amp_Op ideal. É CORRETO afirmar que o ganho (G = Vo/Vi) do circuito é:

Provas
Considere um circuito RLC em série, que possui uma fonte de tensão DC na entrada, e a saída é obtida no capacitor. Este sinal foi observado pelo osciloscópio mostrado na figura abaixo. Assinale a alternativa CORRETA, que descreve o tipo de resposta que corresponde este circuito de segunda ordem.

Assinale a alternativa CORRETA:
Provas
O circuito mostrado na figura abaixo é um filtro passa baixas, cuja função de transferência é dada pela expressão abaixo. Assinale a alternativa CORRETA, que mostra qual é a frequência angular na qual o filtro oferece os 70% do máximo ganho, considerando C = 1µF e R = 1MΩ.

|\( H \)(\( w \))| = \( \dfrac{1}{\sqrt{1+\left((w\cdot R\cdot C\right)^2}} \)
Provas
Considere o circuito da figura abaixo. Assinale a alternativa CORRETA, que contém o valor da corrente no indutor L1 em regime permanente:

Provas
Considere uma carga industrial que consome 55kW a um fator de potência de 0,8 em atraso. No circuito, foi colocado um amperímetro em modo AC, e se mensurou uma corrente de 120 Arms. Diante do contexto apresentado, calcule a tensão RMS entregue na carga:
Provas
Considere uma carga que possui as seguintes características fasoriais: I = 4 | 40° Arms e V = 200| 70° Vrms. Diante o exposto, assinale a alternativa CORRETA, que determina a potência reativa (Q).
Provas
Considere a fonte alternada dada pela função \( V \)(\( t \)) = 220\( \sqrt{2} \) sin(120\( \pi \) \( t \)). Assinale a alternativa CORRETA, que contém a tensão RMS e o período em segundos.
Provas
Considere o circuito da figura abaixo, o qual possui um sinal de entrada vi(t), sinal de saída vo(t) e a estrutura RLC mostrada. Assinale a alternativa CORRETA, que descreve qual é o tipo de filtro que representa este circuito RLC.

Provas
Considerando o circuito abaixo, assinale a alternativa CORRETA que mostra a defasagem entre a tensão e a corrente fornecida pelo gerador de tensão.

Provas
Considere o circuito da figura abaixo, o qual será substituído pelo seu circuito equivalente de Thévenin entre os terminais a e b. Assinale a alternativa que contém o valor CORRETO da resistência equivalente de Thévenin RTH.

Provas
Caderno Container