Foram encontradas 50 questões.
Seja o esquema de um transformador Δ – zig-zag, apresentado na figura e que opera na sequência de fase ABC.

Assinale a alternativa que indica a defasagem da corrente İa em relação à corrente İA.
Provas
Uma corrente contínua trafega pelo solo seguindo caminhos de menor resistividade, conforme indicado na figura.

Assinale a alternativa que indica os pontos assinalados na figura que sofrerão corrosão devido à ação da passagem da corrente contínua.
Provas
Um curto-circuito no sistema elétrico apresenta na linha de transmissão as correntes de sequência zero, como mostrado na figura.

Identifique se as afirmativas abaixo, sobre esse curto-circuito, são verdadeiras (V) ou falsas (F).
( ) Para esse curto-circuito, as correntes de sequência positiva e negativa são iguais às de sequência zero.
( ) Esse curto-circuito é impossível de ocorrer, porque o sistema elétrico é trifásico e as correntes de sequência zero não podem ser iguais nas três fases.
( ) Necessariamente esse curto-circuito é do tipo bifásico a terra, porque as correntes do defeito aparecem nas três fases.
( ) A soma das três correntes apresentadas na figura forma a corrente de curto-circuito verdadeira na fase “A”, isto é, de 24 \( \angle \) –32º pu.
( ) Correntes iguais de sequências zero só podem existir na ocorrência de um curto-circuito duplo.
Assinale a alternativa que indica a sequência correta, de cima para baixo.
Provas
Considere o circuito apresentado na figura.

Assinale a alternativa que indica o valor lido no voltímetro.
Provas
O sistema de transmissão de sinal de comunicação por onda portadora (tipo Carrier), também conhecida por OPLAT (Onda Portadora sobre a Linha de Alta Tensão), utiliza o condutor da linha de transmissão como meio da propagação do sinal, que é emitido numa faixa de frequência de 20 a 400 kHz. Em uma linha de transmissão longa, a transmissão do sinal Carrier é prejudicada.
Assinale a alternativa que indica a principal razão dessa causa.
Provas
A operação de abertura do disjuntor se dá pelo deslocamento mecânico dos contatos, desde a sua posição inicial (fechado) até a posição aberta. Durante esse movimento, o arco elétrico se forma e acompanha o contato móvel até a sua posição final. A corrente de curto-circuito tem continuidade através do arco elétrico, mesmo com a total abertura mecânica dos contatos do disjuntor. Portanto, para eliminar o curto-circuito, devem-se prover ações adicionais, ou seja, utilizar dispositivos e meios para a extinção do arco elétrico.
Analise as afirmativas abaixo, em relação a esse assunto.
1. As câmaras de extinção do arco elétrico devem ter meios para alongar e fracionar o arco elétrico para ajudar na sua extinção.
2. Na câmara a óleo mineral, o óleo age como isolante, refrigerante, e as bolhas de gás formadas empurram o arco para cima, alongando-o.
3. A câmara a vácuo é excelente porque dificulta a formação do arco elétrico pela inexistência do meio.
4. O alongamento do arco elétrico pode ser por ação de forças eletromagnéticas (sopro magnético), por jatos de ar ou SF6 ou pela ação das bolhas de gás formadas pela decomposição do óleo.
5. Na câmara com gás SF6 sob pressão, o SF6 dificulta a formação do arco e tem elevada capacidade de recuperação de sua rigidez dielétrica, dificultando a reignição.
Assinale a alternativa que indica todas as afirmativas corretas.
Provas
O sistema elétrico brasileiro opera interligado com todas as empresas integrantes dos serviços públicos de energia elétrica, formando um imenso circuito trifásico. Desse circuito uma parte é a rede básica, composta pela parte forte do sistema interligado.
Assinale a alternativa que mais se aproxima da denominação da rede básica do sistema brasileiro interligado.
Provas
Assinale a alternativa correta em relação aos valores de base de uma rede monofásica.
Provas
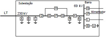
A figura apresenta o diagrama simplificado dos componentes integrantes de uma subestação de uma empresa de transmissão de energia elétrica.

Assinale a alternativa que representa, respectivamente, os seguintes componentes: para-raios do transformador, chave seccionadora do tipo bypass, banco de capacitores e chave seccionadora de linha.
Provas
Dimensione o menor transformador de corrente (TC) de modo a atender aos dados do diagrama unifilar de um sistema radial apresentado na figura.

Os TCs escolhidos são de \( \dfrac {\text{x}} 5 \), sendo x múltiplo de 20.
Dos TCs apresentados nas alternativas, sinalize aquele que está mais adequado ao solicitado.
Provas
Caderno Container