Foram encontradas 485 questões.
Considere o circuito elétrico RLC série apresentado a seguir.

Qual o valor correto para o indutor que estabelece defasagem zero entre a tensão e a corrente da fonte (ressonância), considerando que a frequência angular da fonte de alimentação é de 1000 rad/s?
Provas
Considere o circuito a seguir.

Assinale a alternativa correta.
Provas
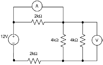
Considere que um circuito experimental foi montado como apresentado a seguir.

No esquema de ligação, o amperímetro e o voltímetro são representados pelas letras A e V, respectivamente. Para fins de análise considere todos os elementos, fonte e instrumentos como sendo ideais.
Em relação ao circuito, é correto afirmar:
Provas
Considere os três centros de cargas de uma mesma indústria apresentados na tabela a seguir.
|
Centro de |
Potência Ativa (kW) |
Potência Reativa (kVAr) |
Fator de potência |
| 1 | 4 | 3 |
capacitivo |
| 2 | 3 | 4 |
indutivo |
| 3 | 5 | Zero |
resistivo |
Em relação ao exposto, é correto afirmar:
Provas
Assinale a alternativa correta.
Provas
As afirmativas abaixo se referem aos capacitores planares.
1. A capacitância é diretamente proporcional à área das placas.
2. A capacitância é inversamente proporcional ao quadrado da distância entre as placas.
3. A capacitância é diretamente proporcional à constante dielétrica do material entre as placas.
4. A capacitância é diretamente proporcional à constante dielétrica relativa do material entre as placas.
Assinale a alternativa que indica todas as afirmativas corretas.
Provas
Considere as afirmativas a seguir sobre as 7 unidades básicas do Sistema Internacional de unidades (SI):
1. A unidade do comprimento é o metro.
2. A unidade do peso é o kilograma.
3. A unidade da potência elétrica é o watt.
4. A unidade da temperatura é o grau Celcius.
5. A unidade do tempo é o segundo.
6. A unidade da quantidade de matéria é o mol.
7. A unidade da frequência é o hertz.
Assinale a alternativa que indica todas as afirmativas corretas.
Provas
Para fazer a manutenção de uma rede de distribuição, alguns procedimentos devem ser adotados para segurança dos funcionários que estão executando o trabalho.
Em relação ao disposto, assinale a alternativa correta.
Provas
Para fazer a entrada de energia de uma unidade consumidora com demanda de 300 kVA, com entrada subterrânea em média tensão, alguns equipamentos devem ser utilizados para realizar a conexão entre a rede da Celesc e o consumidor.
Em relação ao disposto, assinale a alternativa correta.
Provas
Assinale a alternativa correta.
Provas
Caderno Container