Foram encontradas 60 questões.
Uma instalação elétrica possui diversos motores instalados. Sabe-se que para corrigir o fator de potência da instalação pode-se instalar um capacitor em cada motor, em um grupo de motores ou na entrada da instalação.
Analise as afirmativas abaixo com relação a estes tipos de correção do fator de potência.
1. Caso capacitores sejam instalados na entrada da instalação, a energia reativa ainda irá circular na parte interna da instalação entre os capacitores e os motores.
2. Caso capacitores sejam instalados na entrada da instalação sem controle automático, é possível que a instalação tenha o fator de potência reduzido quando as cargas indutivas forem desligadas.
3. O máximo valor de fator de potência atingível com um sistema capacitivo é 0,92.
4. Caso múltiplos capacitores sejam instalados na entrada da energia, é recomendável que os capacitores entrem em operação em sequência para garantir que não ocorra um pico de corrente muito elevado.
Assinale a alternativa que indica todas as afirmativas corretas.
Provas
O triângulo das potências é formado pelas potências ativa (P), reativa (Q) e aparente (S).
Assinale a alternativa que corretamente relaciona as potências para obtenção do fator de potência (FP).
Provas
Figura 3

Fonte: Engenharia Elétrica - Princípios e aplicações 6 edição. Hambley, Alan R.
Considerando que o valor de pico da tensão (Vm) é de 179 V, qual será a tensão eficaz do sistema?
Provas
Figura 3

Fonte: Engenharia Elétrica - Princípios e aplicações 6 edição. Hambley, Alan R.
Com relação à figura 3, assinale a alternativa que indica corretamente o tipo de carga do sistema.
Provas
Analise a figura abaixo:

Fonte: Instalações Elétricas NISKIER, Julio
Assinale a alternativa que indica corretamente o tipo de ligação do transformador.
Provas
O método de aterramento do neutro, de forma geral, possui pouca influência durante a operação normal do sistema elétrico, mas é de importância fundamental quando ocorre um curto-circuito no qual a terra é inserida no circuito.
Em termos gerais, se o sistema é aterrado através de impedância, a corrente de falta à terra é ; e as sobretensões desenvolvidas nas fases sãs para a terra são .
Assinale a alternativa que completa corretamente as lacunas do texto.
Provas
Indique qual fator é inversamente proporcional ao valor de resistência de um fio.
Provas
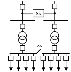
Analise a figura abaixo:

Assinale a alternativa com a nomenclatura correta da subestação da figura.
Provas
Qual a unidade de medida de energia elétrica?
Provas
Analise as afirmativas abaixo com relação à abertura de chave fusível em média tensão.
1. Se a chave fusível for adequada para abertura sob carga, deve-se utilizar dispositivo de abertura sob carga (loadbuster) para realizar a operação.
2. Se a chave fusível instalada não for adequada para abertura sob carga, deve-se desligar a rede para realizar a operação.
3. Para abertura da chave fusível sob carga, os condutores fase deverão ser aterrados antes da utilização do dispositivo loadbuster.
Assinale a alternativa que indica todas as afirmativas corretas.
Provas
Caderno Container