Foram encontradas 60 questões.
Analise as afirmativas abaixo:
1. Qualquer que seja o esquema de aterramento, o condutor de neutro não deve ser seccionado.
2. Como regra geral, todos os condutores vivos, em todos os circuitos, devem poder ser seccionados.
3. Condutores vivos podem ser curto-circuitados e aterrados como forma suplementar de impedir a energização inadvertida.
Assinale a alternativa que indica todas as afirmativas corretas.
Provas
Analise as afirmativas abaixo:
1. Em instalações residenciais só podem ser empregados condutores de cobre, exceto condutores de aterramento.
2. Em instalações comerciais é permitido o emprego de condutores de alumínio com seções iguais ou superiores a 50 mm2.
3. Em instalações industriais só podem ser utilizados condutores de alumínio.
Assinale a alternativa que indica todas as afirmativas corretas.
Provas
Assinale a alternativa correta com relação às instalações elétricas de baixa tensão.
Provas
Analise as afirmativas abaixo com relação às chaves estáticas do tipo soft-starters.
1. Chaves de partida soft-starter não garantem isolação galvânica devendo ser utilizado um elemento de seccionamento.
2. Após a partida os soft-starters são retirados do sistema por um sistema de by-pass.
3. Os soft-starters reduzem a corrente de partida através da aceleração controlada em rampa do motor.
Assinale a alternativa que indica todas as afirmativas corretas.
Provas
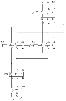
Figura 2

Quais dispositivos de proteção estão apresentados na figura?
Provas
Figura 2

O sistema apresentado é o diagrama de força de qual chave de partida?
Provas
Figura 1

Qual a nomenclatura da chave indicada pelo número 1?
Provas
Figura 1

Qual a finalidade ou funcionalidade do sistema mostrado na figura 1?
Provas
Assinale a alternativa correta com relação aos dispositivos de seccionamento e proteção de baixa tensão.
Provas
Ao acionar a opção de Estatísticas da Pasta de Trabalho no rodapé do MS Excel do Microsoft 365 em português, podem-se visualizar as seguintes informações:
1. Quantidade de células com dados tanto da planilha corrente quanto da pasta.
2. Quantidade de planilhas existentes na pasta de trabalho.
3. A célula inicial e final da planilha corrente e das demais planilhas existentes na pasta de trabalho.
4. A quantidade de fórmulas na planilha corrente e nas demais planilhas existentes na pasta de trabalho.
Assinale a alternativa que indica todas as afirmativas corretas.
Provas
Caderno Container