Foram encontradas 45 questões.
Os circuitos de modulação e demodulação são essenciais para a transmissão eficiente de sinais de comunicação, permitindo a variação e a reconstrução das características do sinal, garantindo uma transmissão confiável e a recuperação da informação original. Sobre os circuitos de modulação, assinale com V as afirmativas verdadeiras e com F as falsas.
( ) A modulação FM é um tipo de modulação em que a amplitude do sinal portador varia de acordo com o sinal modulante.
( ) A modulação PM é um tipo de modulação em que a fase do sinal portador varia de acordo com o sinal modulante.
( ) A modulação QAM é um tipo de modulação em que tanto a amplitude quanto a fase do sinal portador são modificadas de acordo com o sinal modulante.
( ) A modulação AM é um tipo de modulação em que a frequência do sinal portador varia de acordo com o sinal modulante.
Assinale a sequência correta.
Provas
Disciplina: Segurança e Saúde no Trabalho (SST)
Banca: FUNDEP
Orgão: CEMIG
A Norma Regulamentadora NR-35 estabelece as diretrizes de segurança e saúde no trabalho em altura, visando a prevenir acidentes e garantir a proteção dos trabalhadores.
Nesse contexto, assinale a alternativa que apresenta um item que não é um requisito obrigatório estabelecido pela Norma Regulamentadora NR-35:
Provas
A medição da vazão é essencial para monitoramento e controle de diversos processos industriais, garantindo eficiência e qualidade na operação.
Assinale a alternativa que apresenta o instrumento mais adequado para medição de fluidos condutivos, altamente corrosivos e com alta viscosidade.
Provas
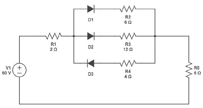
Em relação ao circuito de corrente contínua representado na figura a seguir, todos os diodos podem ser considerados como ideais.

Assinale a alternativa que apresenta, respectivamente, a tensão no resistor R3 em volts e a corrente no resistor R5 em amperes.
Provas
O planejamento e o controle da manutenção são essenciais para garantir a eficiência operacional, minimizar paradas não programadas e otimizar a disponibilidade dos equipamentos. Nesse contexto, assinale a alternativa que apresenta uma característica correta para a manutenção corretiva.
Provas
A base binária é fundamental para sistemas digitais, pois permite a representação e a manipulação eficiente de informações e dados utilizando apenas dois dígitos (0 e 1). Assinale a alternativa que apresenta a conversão correta do número 586 para a base binária.
Provas
A pirâmide da automação é uma representação hierárquica dos diferentes níveis de controle e supervisão em um sistema automatizado.
Assinale a alternativa que descreve corretamente uma das diferenças entre MES (Manufacturing Execution System) e ERP (Enterprise Resource Planning) na pirâmide de automação.
Provas
A importância do aterramento nos sistemas elétricos reside na garantia da segurança das pessoas, na proteção dos equipamentos e no funcionamento adequado do sistema.
A esse respeito, numere a COLUNA II de acordo com a COLUNA I, fazendo a relação entre os tipos de aterramento para sistemas elétricos e sua definição.
COLUNA I
1. Aterramento de proteção
2. Aterramento funcional
3. Aterramento equipotencial
4. Aterramento temporário
COLUNA II
( ) Utilizado para garantir a segurança de pessoas e equipamentos, direcionando correntes de falta à terra e prevenindo choques elétricos.
( ) Busca manter todas as partes metálicas de um sistema elétrico no mesmo potencial elétrico, minimizando diferenças de tensão e reduzindo o risco de descargas elétricas.
( ) Utilizado para estabelecer um referencial de tensão comum, garantindo o correto funcionamento dos equipamentos elétricos e evitando interferências eletromagnéticas.
( ) Aterramento provisório utilizado em situações específicas, como durante a realização de trabalhos elétricos, garantindo a segurança dos trabalhadores envolvidos.
Assinale a sequência correta.
Provas
A tabela a seguir representa as vendas mensais de quatro vendedores em uma loja. O indicador de média trimestral individual pode ser considerado como a média aritmética das vendas mensais para cada vendedor, e o indicador de média global (único para todo o grupo) pode ser calculado como a média geométrica dos indicadores trimestrais.
|
Vendedor |
Jan. | Fev. |
Mar. |
|
Bruna |
20 | 10 | 18 |
|
João |
2 | 7 | 3 |
|
Pedro |
12 | 10 | 2 |
|
Vanessa |
8 | 6 | 10 |
Assinale a alternativa que apresenta, respectivamente, o indicador trimestral para o vendedor João e o indicador global.
Provas
O Modelo OSI (Open System Interconnection) é fundamental para padronizar e organizar a comunicação entre dispositivos em redes de computadores, facilitando a interoperabilidade e permitindo o desenvolvimento de sistemas mais robustos e escaláveis.
De acordo com esse modelo, assinale a alternativa que apresenta a camada responsável pelo estabelecimento, manutenção e encerramento de conexões entre dois dispositivos em uma rede de computadores.
Provas
Caderno Container