Foram encontradas 40 questões.
Acerca dos motores síncronos, assinale a alternativa
incorreta.
Provas
Questão presente nas seguintes provas
A respeito do dimensionamento de condutores elétricos
em instalações elétricas de baixa tensão, sabe-se que
é necessário aplicar um fator de correção de corrente
quando os condutores estão dispostos em condições
diferentes daquelas previstas nos métodos de referência
(presentes nas tabelas de capacidade de condução
de corrente).
Não é condição de instalação que requer a aplicação de um fator de correção de corrente:
Não é condição de instalação que requer a aplicação de um fator de correção de corrente:
Provas
Questão presente nas seguintes provas
Considerando a função dos dispositivos de proteção na
rede de distribuição de energia, numere a COLUNA II
de acordo com a COLUNA I, fazendo a relação entre o
dispositivo e sua função.
COLUNA I
1. Disjuntores e fusíveis
2. Réles digitais
3. Transformadores de instrumentação
COLUNA II
( ) Aquisição, redução da magnitude e condicionamento de sinais de corrente e tensão.
( ) Detecção de potenciais curto-circuitos nos elementos do sistema elétrico.
( ) Atuação de modo a assegurar a desconexão dos elementos do sistema submetidos ao efeito do curto-circuito.
Assinale a sequência correta.
COLUNA I
1. Disjuntores e fusíveis
2. Réles digitais
3. Transformadores de instrumentação
COLUNA II
( ) Aquisição, redução da magnitude e condicionamento de sinais de corrente e tensão.
( ) Detecção de potenciais curto-circuitos nos elementos do sistema elétrico.
( ) Atuação de modo a assegurar a desconexão dos elementos do sistema submetidos ao efeito do curto-circuito.
Assinale a sequência correta.
Provas
Questão presente nas seguintes provas
Analise o circuito a seguir.

Os valores dos componentes do circuito são R = 1,2 kΩ e C = 60 μF.
Após o fechamento da chave S, é correto afirmar que a tensão VC no capacitor atinge 99,3% do valor da tensão da fonte em um tempo igual a

Os valores dos componentes do circuito são R = 1,2 kΩ e C = 60 μF.
Após o fechamento da chave S, é correto afirmar que a tensão VC no capacitor atinge 99,3% do valor da tensão da fonte em um tempo igual a
Provas
Questão presente nas seguintes provas
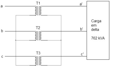
Um transformador trifásico abaixador de tensão é construído a partir da conexão Y-Y de três transformadores monofásicos
de 2:1, conforme mostrado na figura a seguir.
Uma carga trifásica é conectada ao secundário do transformador trifásico. Considerando que a carga consome uma potência total de 762 kVA, e que a tensão de linha no secundário do transformador é √3.127 kV, a corrente de linha no primário do transformador trifásico vale
Uma carga trifásica é conectada ao secundário do transformador trifásico. Considerando que a carga consome uma potência total de 762 kVA, e que a tensão de linha no secundário do transformador é √3.127 kV, a corrente de linha no primário do transformador trifásico vale
Provas
Questão presente nas seguintes provas
- EletrônicaComponentes Eletrônicos em Eletroeletrônica
- EletrônicaEquipamentos Elétricos em Eletroeletrônica
Os sensores de posição são dispositivos utilizados para medir e determinar a posição de objetos em relação a um ponto
de referência.
Nesse contexto, assinale a alternativa que descreve corretamente uma característica do LVDT.
Nesse contexto, assinale a alternativa que descreve corretamente uma característica do LVDT.
Provas
Questão presente nas seguintes provas
A qualidade da energia elétrica é um aspecto importante
para garantir o correto funcionamento dos equipamentos
elétricos e eletrônicos. Ela envolve diversos parâmetros,
como a estabilidade da tensão, a presença de distorções
harmônicas, a ocorrência de interrupções e a presença
de transientes.
Assinale a alternativa que apresenta corretamente um parâmetro relacionado à qualidade da energia elétrica.
Assinale a alternativa que apresenta corretamente um parâmetro relacionado à qualidade da energia elétrica.
Provas
Questão presente nas seguintes provas
- EletrônicaComponentes Eletrônicos em Eletroeletrônica
- EletrônicaEquipamentos Elétricos em Eletroeletrônica
Os atuadores industriais desempenham um papel
importante na automação e no controle de processos
industriais. Eles são dispositivos responsáveis por
converter um sinal de controle em uma ação física,
como movimento, pressão ou fluxo.
Nesse contexto, assinale a alternativa que apresenta um exemplo de atuador industrial.
Nesse contexto, assinale a alternativa que apresenta um exemplo de atuador industrial.
Provas
Questão presente nas seguintes provas
- EletrônicaComponentes Eletrônicos em Eletroeletrônica
- EletrônicaEquipamentos Elétricos em Eletroeletrônica
A linguagem Ladder, também conhecida como diagrama
de contatos, é amplamente utilizada na programação de
controladores lógicos programáveis (CLPs).
Assinale a alternativa que descreve corretamente uma característica da linguagem Ladder.
Assinale a alternativa que descreve corretamente uma característica da linguagem Ladder.
Provas
Questão presente nas seguintes provas
- EletrônicaComponentes Eletrônicos em Eletroeletrônica
- EletrônicaEquipamentos Elétricos em Eletroeletrônica
A teoria de semicondutores é fundamental para entender
o funcionamento de dispositivos eletrônicos, como
diodos e transistores.
Nesse contexto, assinale a alternativa que descreve corretamente uma característica dos semicondutores.
Nesse contexto, assinale a alternativa que descreve corretamente uma característica dos semicondutores.
Provas
Questão presente nas seguintes provas
Cadernos
Caderno Container