Foram encontradas 730 questões.
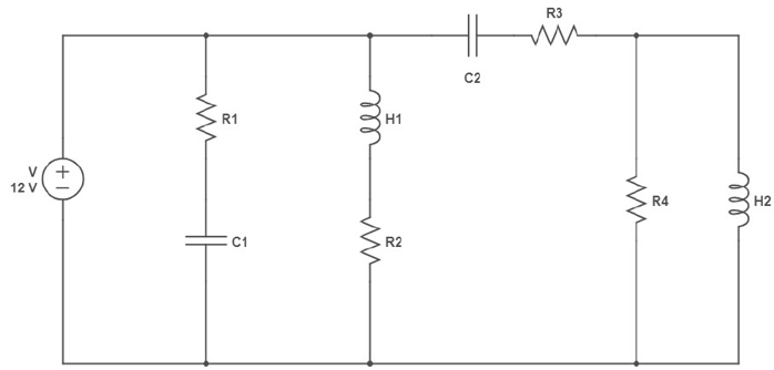
Em um circuito elétrico, elementos resistivos dissipam energia, enquanto elementos puramente capacitivos ou puramente indutivos armazenam energia. No circuito a seguir, as cargas resistivas representam lâmpadas de 12 V / 60 W, e os indutores e capacitores podem ser considerados como ideais.

Assinale a alternativa que informa corretamente o status das lâmpadas em regime permanente.
Provas
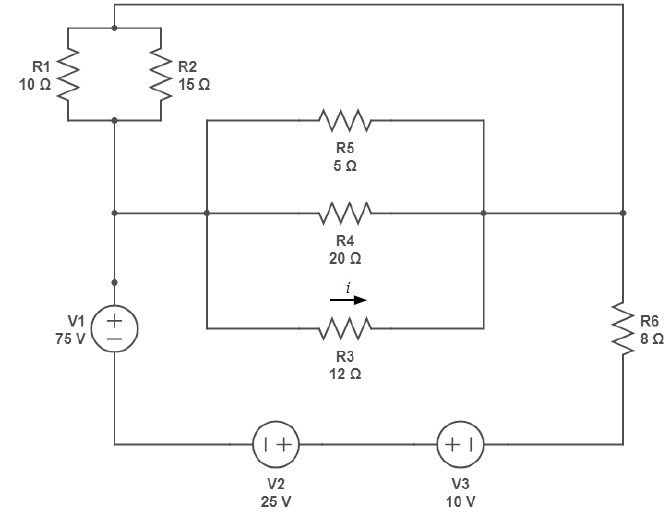
O circuito representado na figura a seguir é composto por três fontes de tensão e seis resistores.

Assinale a alternativa que apresenta o módulo da corrente no resistor R3 em amperes.
Provas
As máquinas elétricas são dispositivos que efetuam a conversão entre energia elétrica e mecânica, ou vice-versa, desempenhando um papel fundamental na indústria e nas aplicações tecnológicas modernas. Assinale a alternativa que apresenta um tipo de motor elétrico de corrente contínua.
Provas
Em relação aos conceitos de bases numéricas na teoria de sistemas digitais, a base hexadecimal é amplamente utilizada, pois permite a representação de grandes números binários de forma mais compacta e legível.
Assinale a alternativa que apresenta a representação hexadecimal para o número binário 10101100.
Provas
Quanto à avaliação de segurança de uma barragem, que tem como objetivo final estimar a probabilidade de ocorrência de um evento indesejado e suas consequências, caso ocorra, assinale a alternativa incorreta.
Provas
Acidentes recentes em barragens de rejeitos, como os ocorridos em Mariana e Brumadinho, no estado de Minas Gerais, levaram à modificação de leis e normas relacionadas ao assunto.
Com relação ao processo de classificação de risco das barragens, é incorreto afirmar:
Provas
Considerando a contratação de empresa de consultoria especializada em avaliação de segurança de barragens e assuntos correlatos, são fases desse serviço, exceto:
Provas
Considerando que o estudo da ruptura hipotética de uma barragem tem como parte de seus objetivos mapear as áreas potencialmente inundáveis na região à jusante do barramento, assinale a alternativa incorreta.
Provas
Apresentam classificações das principais anomalias que têm sido observadas nas barragens de concreto, exceto:
Provas
No diagnóstico de segurança das barragens, as inspeções de campo e a instrumentação de auscultação das estruturas devem ser consideradas como mutuamente complementares.
Com relação ao diagnóstico de segurança das barragens, assinale a alternativa incorreta.
Provas
Caderno Container