Foram encontradas 730 questões.
Os sistemas de telecomunicações utilizam antenas para transmitir e receber sinais, possibilitando a comunicação eficiente e confiável em diversas aplicações, desde dispositivos móveis até redes de satélite.
Assinale a alternativa que apresenta corretamente características dos tipos de antena.
Provas
As ondas eletromagnéticas são essenciais para as telecomunicações, permitindo a transmissão rápida e eficiente de informações por meio de longas distâncias, possibilitando a conectividade global.
Com relação à propagação de ondas eletromagnéticas, assinale a alternativa correta.
Provas
A multiplexação é fundamental para maximizar a eficiência e a capacidade de transmissão de informações, permitindo a combinação e a transmissão simultânea de múltiplos sinais em um único canal de comunicação.
Assinale a alternativa que apresenta uma característica correta da multiplexação FDM.
Provas
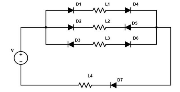
Os diodos são componentes cruciais em circuitos elétricos, pois permitem a direção controlada do fluxo de corrente. No circuito elétrico a seguir, considere todos os diodos como ideais e que as cargas resistivas representam lâmpadas.

Assinale a alternativa que informa corretamente o status das lâmpadas em regime permanente.
Provas
Considere uma planta com duas edificações, sendo a primeira constituída por dois pavimentos de área de escritórios, nos quais trabalham 20 pessoas por pavimento, e a segunda uma área industrial de baixo potencial de risco de incêndio, com um pavimento no qual trabalham 200 pessoas.
Dados:
|
Grupo |
Divisão |
Descrição |
População fixa por pavimento |
|
|
Até 10 |
Acima de 10 |
|||
|
D |
D-1 | Local para prestação de serviço profissional ou condução de negócios | 30% |
10% |
| D-2 | Agência bancária | 40% |
10% |
|
| D-3 | Serviço de reparação | |||
| D-4 | Laboratório | |||
|
I |
I-1 | Indústria com carga de incêndio até 300 MJ/m2 | 40% |
5% |
| I-2 | Indústria com carga de incêndio entre 301 e 1.200 MJ/m2 | 50% |
7% |
|
| I-3 | Indústria com carga de incêndio superior a 1.200 MJ/m2 | 60% |
10% |
|
Anexo A - CBMMG IT 12 - Brigada de Incêndio.
De acordo com a Instrução Técnica nº 12 (Brigada de Incêndio) do Corpo de Bombeiros de Minas Gerais, qual deve ser o número total de brigadistas para composição da brigada de incêndio?
Provas
Dispositivos de parada de emergência são acionadores utilizados para interromper, de maneira rápida e segura, os movimentos perigosos de máquinas, equipamentos ou sistemas em situações de risco ou emergência. As máquinas devem ser equipadas com um ou mais dispositivos de parada de emergência, por meio dos quais possam ser evitadas situações de perigo latentes e existentes.
Com relação aos dispositivos de parada de emergência, assinale a alternativa incorreta.
Provas
Máquinas, equipamentos e instalações elétricas temporárias em canteiro de obra podem gerar riscos aos trabalhadores caso não estejam em conformidade com a legislação e com as normas técnicas.
Sobre as instalações elétricas, as máquinas e os equipamentos instalados nos canteiros de obra, assinale a alternativa incorreta.
Provas
A capacitação para os trabalhadores que interagem com líquidos inflamáveis e combustível é prevista na Norma Regulamentadora número 20 e é considerada uma medida de prevenção de acidentes e doenças ocupacionais.
Com relação a essa capacitação, assinale a alternativa correta.
Provas
Em um canteiro de obras gerenciado por uma determinada construtora, a equipe de segurança elaborou um plano de auditoria para evidenciar se o dimensionamento da área de vivência atende os requisitos da NR–18.
Dados:
Quadro 1: Equipamentos instalados na área de vivência do canteiro de obras
|
Área de vivência do canteiro de obras |
|
|
Equipamentos instalados |
Quantidade |
|
Chuveiros elétricos |
18 |
|
Conjunto de lavatório, bacia sanitária sifonada e mictório |
12 |
|
Bebedouro |
7 |
Quadro 2: Número de funcionários alocados na obra
|
Profissionais alocados no canteiro de obras |
|
|
Profissionais |
Quantidade |
|
Pedreiros |
35 |
|
Ajudante de pedreiros |
46 |
|
Operadores de máquinas |
18 |
|
Demais funcionários |
107 |
Diante do exposto, analise as afirmativas a seguir.
I. A quantidade de chuveiros e do conjunto composto por lavatório, mictório e bacia sanitária sifonada atende os requisitos da NR–18.
II. A área de vivência atende integralmente os requisitos normativos estabelecidos pela legislação em vigor.
III. O número de bebedouros e chuveiros é insuficiente, sendo necessário um plano de ação para regularização da área de vivência.
IV. O número de lavatórios, mictórios e bacias sanitárias sifonadas não atende os requisitos estabelecidos pela legislação em vigor, assim como a quantidade de chuveiros.
Estão incorretas as afirmativas
Provas
De acordo com a NR–10, assinale a alternativa que descreve corretamente um profissional legalmente habilitado.
Provas
Caderno Container