Foram encontradas 940 questões.
O Rumo 50°SO equivale ao Azimute:
Provas
Questão presente nas seguintes provas
1498052
Ano: 2018
Disciplina: Segurança e Saúde no Trabalho (SST)
Banca: FUMARC
Orgão: CEMIG
Disciplina: Segurança e Saúde no Trabalho (SST)
Banca: FUMARC
Orgão: CEMIG
Provas:
No que diz respeito aos Equipamentos de Proteção individual (EPI), a NR 06 estabelece:
I. É obrigação do empregado zelar pela guarda e conservação do EPI.
II. O Certificado de Aprovação dos Equipamentos de Proteção Individual tem validade de 5 anos.
III. Cabe ao empregador higienizar os Equipamentos de Proteção Individual, quando possível.
IV. Registrar o seu fornecimento ao trabalhador, podendo ser adotados livros, fichas ou sistema eletrônico.
Estão CORRETAS as afirmativas:
Provas
Questão presente nas seguintes provas
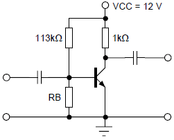
O transistor do circuito abaixo tem as seguintes características: VBE = 700mV e hFE = β = 120. Esse transistor deve ser polarizado para trabalhar em classe A, com VCE = VCC/2. De acordo com as informações fornecidas, o valor do resistor RB é:

Provas
Questão presente nas seguintes provas
Os núcleos dos transformadores são constituídos por lâminas sobrepostas, isoladas uma das outras, com o objetivo de
Provas
Questão presente nas seguintes provas
Com relação aos níveis da tensão de atendimento aos consumidores em regime permanente, definidos no Módulo 8 do PRODIST, pode-se afirmar, EXCETO:
Provas
Questão presente nas seguintes provas
O torquímetro, o rugosímetro e o tubo de Pitot medem respectivamente:
Provas
Questão presente nas seguintes provas
Se a solução do silício no germânio é ideal, calcule a variação de entropia da mistura à temperatura ambiente, em J/mol para a liga com 60% atômico de silício.
O resultado CORRETO é:
Provas
Questão presente nas seguintes provas
Numere a segunda coluna de acordo com a primeira:
| (1) Valor RMS | ( ) A representação das susceptâncias indutiva e capacitiva de sentidos opostos. |
| (2) Impedância Elétrica (Z) | ( ) Como a corrente (I) está adiantada de 90º em relação a tensão (V), logo a corrente deve ter um ângulo de +90º em relação à tensão. |
| (3) Diagrama de Admitância | ( ) É a razão entre a potência média e a potência aparente. |
| (4) Reatância Indutiva | ( ) Oposição que o circuito faz à passagem da corrente elétrica. |
| (5) Reatância Capacitiva | ( ) O valor equivalente de uma tensão alternada que produziria o mesmo trabalho que uma tensão contínua. |
| (6) Fator de Potência | ( ) Como a tensão (V) está adiantada de 90º em relação à corrente (I), logo a corrente deve ter um ângulo de -90º em relação à tensão. |
A sequência CORRETA, de cima para baixo, é:
Provas
Questão presente nas seguintes provas
Uma empresa de distribuição de energia elétrica utiliza em seu sistema de Média/Baixa Tensão transformadores para atendimento aos consumidores residenciais. A relação de transformação desse equipamento é de 13 800 V (MT) para 220 V (uso residencial).
A respeito desse transformador, analise as afirmações abaixo:
I. O número de espiras no primário é maior que no secundário.
II. A tensão fornecida no secundário é contínua.
III. A corrente elétrica no primário é menor que no secundário.
IV. A relação de transformação para o referido transformador é fixa, mas não constante.
Está CORRETO apenas o que se afirma em:
Provas
Questão presente nas seguintes provas
1302356
Ano: 2018
Disciplina: Legislação Específica das Agências Reguladoras
Banca: FUMARC
Orgão: CEMIG
Disciplina: Legislação Específica das Agências Reguladoras
Banca: FUMARC
Orgão: CEMIG
O Módulo 8 dos Procedimentos de Distribuição (PRODIST) da ANEEL caracteriza os fenômenos e estabelece os indicadores e limites ou valores de referência relativos à conformidade de tensão em regime permanente e às perturbações na forma de onda de tensão de fornecimento. Dentre os fenômenos perturbadores da tensão de fornecimento definidos no PRODIST, qual é o de natureza transitória?
Provas
Questão presente nas seguintes provas
Cadernos
Caderno Container