Foram encontradas 50 questões.
Em um instrumento de medição, o termo resolução refere-se
Provas
O Mapa de Risco foi criado por meio da Portaria n. 05, em 17/08/92, tratando da obrigatoriedade da representação gráfica dos riscos existentes.
Sendo assim, por meio desse instrumento, constitui um exemplo de risco físico
Provas
Estabelecer novos padrões, serviço mais bem executado, diminuição de custos, procedimento de manutenção mais seguro, menor tempo de execução.
As ações descritas acima se enquadram
Provas
Analise as seguintes afirmativas referentes às definições de itens que compõem um sistema de Mapeamento de Processos e assinale com V as verdadeiras e com F as falsas.
( ) Produto é o resultado de uma atividade ou processo.
( ) Processo é uma forma específica de executar uma atividade.
( ) Auditoria da qualidade é um exame independente das atividades.
( ) Procedimento é um conjunto de recursos e atividades inter-relacionados.
Assinale a alternativa que apresenta a sequência de letras CORRETA.
Provas
Considere um transformador no qual a razão entre o número de espiras no primário, N1, e o número de espiras no secundário, N2, é igual a 10. Aplicando-se uma diferença de potencial alternada no primário V1, a diferença de potencial induzida no secundário é igual a V2.
Tratando-se de um transformador ideal, a relação entre as tensões V2 e V1 será igual a
Provas
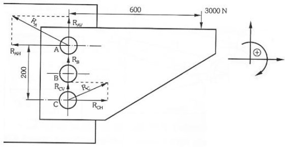
A seguinte figura apresenta uma junta rebitada composta por rebites de diâmetros iguais.

Nesse caso, a força atuante no rebite B é igual a
Provas
As normas definem o grau de proteção dos equipamentos elétricos por meio dos caracteres IP.
Um motor totalmente fechado será indicado com o grau de proteção
Provas
Analise o seguinte diagrama referente ao controle de partida de um motor trifásico.

A partir dessa análise, está CORRETO afirmar que o circuito
Provas
O fluxograma é uma das ferramentas usadas na gestão da qualidade de um processo.
Seu emprego é mais bem indicado para
Provas
Analise a seguinte figura que apresenta um circuito elétrico de corrente contínua puramente resistivo.

Nesse circuito, a tensão de saída, VS, é igual a
Provas
Caderno Container