Foram encontradas 50 questões.
Observe a seguinte perspectiva isométrica.

Assinale a alternativa que apresenta as vistas ortográficas CORRETAS da peça representada em perspectiva.
Provas
Observe e analise a seguinte figura.

Com relação à figura analisada, está CORRETO afirmar que nela se representou um diagrama
Provas
Observe estas vistas ortográficas incompletas.

Assinale a alternativa que apresenta a vista frontal CORRETA dessa peça.
Provas
Existem regras para a representação das cotas, embora se admita uma variação em seu posicionamento respeitando-se as características específicas de cada peça.
A esse respeito, analise as seguintes afirmativas assinalando com V as verdadeiras e com F as falsas.
( ) Deve-se indicar as medidas totais de uma peça, localizando-as entre duas vistas a que tais dimensões sejam comuns.
( ) Preferencialmente, as cotas são distribuídas na vista que melhor caracteriza os detalhes a que se refere.
( ) Um ponto de tangência permite a localização de detalhes circulares.
( ) Na cotagem de várias circunferências concêntricas, recomenda-se colocar as cotas passando pelo centro, o que facilita a leitura do desenho.
( ) Na cotagem de peças com truncamento em bisel ou em chanfrados, indica-se o ângulo sobreposto à dimensão.
Assinale a alternativa que apresenta a sequência de letras CORRETA.
Provas
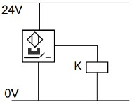
Observe a seguinte figura.

Nessa instalação, serão utilizados
Provas
Disciplina: Segurança e Saúde no Trabalho (SST)
Banca: FUNDEP
Orgão: CEMIG
Considerando a Norma Regulamentadora – NR 10 – Instalações e Serviços em Eletricidade, analise as seguintes afirmativas assinalando com V as verdadeiras e com F as falsas.
( ) Na execução do projeto de uma instalação elétrica foram seguidas as normas técnicas oficiais estabelecidas pelos órgãos competentes, nacionais e/ou internacionais. Assim sendo, podemos afirmar que a instalação atenderá às recomendações da NR-10.
( ) Com referência à proteção contra o risco de contato, uma das recomendações da NR -10 é a de que as partes de instalações elétricas a serem operadas, ajustadas ou examinadas, devem ser dispostas de modo a permitir um espaço suficiente para trabalho seguro.
( ) A norma NR 10 não faz referência à eletricidade estática porque a mesma não oferece riscos para as pessoas, mas apenas para as instalações elétricas.
( ) A norma NR 10 permite somente a realização de trabalhos de manutenção com as instalações elétricas desenergizadas e devidamente aterradas.
Assinale a alternativa que apresenta a sequência de letras CORRETA.
Provas
O funcionamento dos circuitos hidráulicos e pneumáticos é determinado, fundamentalmente, pelas leis que regem o comportamento de fluidos confinados.
A base para a transmissão de energia através de fluidos é estabelecida
Provas
Analise a seguinte descrição de um tipo de motor elétrico.
Motor série C modificado para trabalhar em CA. A modificação básica é que o enrolamento de campo tem menos espirais do que o motor série C. São de pequena potência, abaixo de 1 CV.
Essa descrição corresponde a um motor
Provas
Analise a seguinte figura que apresenta o símbolo de um sensor utilizado em sistemas eletropneumáticos.

Nesse caso, essa representação corresponde a um sensor do tipo
Provas
Analise a seguinte figura que apresenta o símbolo de um componente empregado em sistemas eletropneumáticos.

Com relação a esse símbolo, está CORRETO afirmar que ele corresponde a um
Provas
Caderno Container