Foram encontradas 50 questões.
Um sistema de energia elétrica tem uma série de dispositivos de controle que influenciam diretamente as condições de operação. Entre os controles, geralmente representados em programas de fluxo de carga, temos o controle de magnitude de tensão nodal.
Sobre esse modelo, pode-se afirmar que ele é construído por meio de
Provas
Dentre as partes que constituem uma máquina de corrente contínua, encontra-se o estator.
Sendo assim, constitui como uma das partes do estator o
Provas
Em casos de acidentes envolvendo queimaduras, entre os procedimentos a serem adotados em primeiros socorros, encontra-se
Provas
Analise o seguinte circuito que se refere a um arranjo de instrumentos para a medição da potência, da tensão e da corrente em um transformador.

A partir da análise das conexões dos instrumentos no primário e secundário do transformador, é possível concluir que se trata de um teste de
Provas
Um material ferromagnético tende a conservar o seu estado de magnetização, isto é, tende a se opor às variações de fluxo.
Essa propriedade é denominada
Provas
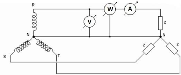
Considere o seguinte arranjo de medição aplicado a um circuito estrela equilibrado com neutro.

Por meio desse arranjo de medição, é possível determinar
Provas
Considere um transformador em um poste de uma concessionária de energia elétrica que opera com Vp = 8,5 kVRMS no enrolamento primário e fornece energia a um certo número de casas próximas com Vs = 120 VRMS. Considere também esse transformador abaixador ideal conectado a uma carga puramente resistiva e um fator de potência igual à unidade.
Nessas condições, a razão entre o número de espiras do primário e do secundário desse transformador é igual a
Provas
Analise o seguinte circuito e os gráficos que descrevem o comportamento transitório RL.

Para esse caso, após o transitório, a potência dissipada na resistência R será calculada utilizando a expressão
Provas
Considere que uma fem de 12 V foi aplicada entre as extremidades de uma bobina que tem uma indutância de 53 mH e uma resistência de 0,35 !$ Ω !$.
Nesse caso, a quantidade de energia armazenada no campo magnético, após a corrente atingir o seu valor de equilíbrio, será igual a
Provas
Considere a seguinte rede elétrica.

Para essa rede, a tensão entre os pontos A e B será igual a
Provas
Caderno Container