Foram encontradas 50 questões.
Os relés microprocessados oferecem muitas vantagens e benefícios sobre os relés eletromecânicos.
Sendo assim, assinale a alternativa que NÃO apresenta uma dessas vantagens.
Provas
Analise o seguinte circuito para disparo em tensão alternada.

Em relação a esse circuito, está CORRETO afirmar
Provas
Entre os dispositivos de segurança e proteção presentes nos circuitos elétricos, encontram-se os fusíveis NH.
Sobre esses dispositivos, está CORRETO afirmar que
Provas
A norma regulamentadora NR10 NÃO é aplicável em
Provas
Entre as principais propriedades básicas do sistema de proteção de um sistema elétrico de potência se encontra a seletividade. Durante sua operação, está CORRETO afirmar que o sistema deve
Provas
Na seguinte figura observe os diversos níveis de proteção de um sistema elétrico, - geração, transmissão e distribuição - indicados por retângulos tracejados.

Analise as seguintes afirmativas relacionadas a esses níveis de proteção.
I. A s áreas que se interceptam funcionam apenas como proteção principal.
II. E m caso de falta dentro da área protegida, a proteção auxiliar deve ser a primeira a atuar.
III. A proteção de retaguarda deve atuar quando ocorre falha na principal.
IV. S inalização, alarme, temporização, intertravamento são funções da proteção auxiliar.
A partir da análise, está CORRETO afirmar que são verdadeiras apenas as afirmativas
Provas
Em relação à segurança nos trabalhos em instalações elétricas, é INCORRETO afirmar que
Provas
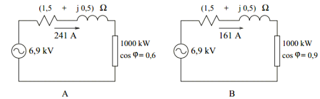
Analise a seguinte figura que apresenta os sistemas A e B a fim de verificar a influência do fator de potência nas grandezas elétricas de um sistema elétrico.

Analise agora a seguinte tabela que apresenta as grandezas elétricas calculadas para os dois sistemas.

A partir dessas análises, NÃO se pode concluir que um baixo fator de potência seja a causa de uma
Provas
Analise a seguinte figura que representa as potências aparentes, ativa e reativa.

A essa representação se dá o nome de
Provas
Observe o seguinte circuito que associa uma resistência a uma reatância capacitiva.

A essa associação se dá o nome de
Provas
Caderno Container